Как понизить напряжение: способы и приборы
Нужно знать, как понизить напряжение в цепи, чтобы не повредить электрические приборы. Всем известно, что к домам подходит два провода – ноль и фаза. Это называется однофазной сетью. Трехфазная крайне редко используется в частном секторе и многоквартирных домах. Необходимости в ней просто нет, так как вся бытовая техника питается от сети переменного однофазного тока. Но вот в самой технике требуется делать преобразования – понижать переменное напряжение, преобразовывать его в постоянное, изменять амплитуду и прочие характеристики. Именно эти моменты и нужно рассмотреть.
Снижение напряжения с помощью трансформаторов

Самый простой способ – это использовать трансформатор пониженного напряжения, который совершает преобразования. Первичная обмотка содержит большее число витков, чем вторичная. Если есть необходимость снизить напряжение вдвое или втрое, вторичную обмотку можно и не использовать. Первичная обмотка трансформатора используется в качестве индуктивного делителя (если от нее имеются отводы). В бытовой технике используются трансформаторы, со вторичных обмоток которых снимается напряжение 5, 12 или 24 Вольта.
Это наиболее часто используемые значения в современной бытовой технике. 20-30 лет назад большая часть техники питалась напряжением в 9 Вольт. А ламповые телевизоры и усилители требовали наличия постоянного напряжения 150-250 В и переменного для нитей накала 6,3 (некоторые лампы питались от 12,6 В). Поэтому вторичная обмотка трансформаторов содержала такое же количество витков, как и первичная. В современной технике все чаще используются инверторные блоки питания (как на компьютерных БП), в их конструкцию входит трансформатор повышающего типа, он имеет очень маленькие габариты.
Делитель напряжения на индуктивностях

Индуктивность – это катушка, намотанная медным (как правило) проводом на металлическом или ферромагнитном сердечнике. Трансформатор – это один из видов индуктивности. Если от середины первичной обмотки сделать отвод, то между ним и крайними выводами будет равное напряжение. И оно будет равно половине напряжения питания. Но это в том случае, если сам трансформатор рассчитан на работу именно с таким питающим напряжением.
Но можно использовать несколько катушек (для примера можно взять две), соединить их последовательно и включить в сеть переменного тока. Зная значения индуктивностей, несложно произвести расчет падения на каждой из них:
- U(L1) = U1 * (L1 / (L1 + L2)).
- U(L2) = U1 * (L2 / (L1 + L2)).
В этих формулах L1 и L2 – индуктивности первой и второй катушек, U1 – напряжение питающей сети в Вольтах, U(L1) и U(L2) – падение напряжения на первой и второй индуктивностях соответственно. Схема такого делителя широко применяется в цепях измерительных устройств.
Делитель на конденсаторах

Очень популярная схема, используется для снижения значения питающей сети переменного тока. Применять ее в цепях постоянного тока нельзя, так как конденсатор, по теореме Кирхгофа, в цепи постоянного тока – это разрыв. Другими словами, ток по нему протекать не будет. Но зато при работе в цепи переменного тока конденсатор обладает реактивным сопротивлением, которое и способно погасить напряжение. Схема делителя похожа на ту, которая была описана выше, но вместо индуктивностей используются конденсаторы. Расчет производится по следующим формулам:
- Реактивное сопротивление конденсатора: Х(С) = 1 / (2 * 3,14 *f * C).
- Падение напряжения на С1: U(C1) = (C2 * U) / (C1 + C2).
- Падение напряжения на С2: U(C1) = (C1 * U) / (C1 + C2).
Здесь С1 и С2 – емкости конденсаторов, U – напряжение в питающей сети, f – частота тока.
Делитель на резисторах
Схема во многом похожа на предыдущие, но используются постоянные резисторы. Методика расчета такого делителя немного отличается от приведенных выше. Использоваться схема может как в цепях переменного, так и постоянного тока. Можно сказать, что она универсальная. С ее помощью можно собрать понижающий преобразователь напряжения. Расчет падения на каждом резисторе производится по следующим формулам:
- U(R1) = (R1 * U) / (R1 + R2).
- U(R2) = (R2 * U) / (R1 + R2).
Нужно отметить один нюанс: величина сопротивления нагрузки должна быть на 1-2 порядка меньше, чем у делительных резисторов. В противном случае точность расчета будет очень грубая.
Практическая схема блока питания: трансформатор

Для выбора питающего трансформатора вам потребуется знать несколько основных данных:
- Мощность потребителей, которые нужно подключать.
- Значение напряжения питающей сети.
- Значение необходимого напряжения во вторичной обмотке.
Чтобы рассчитать число витков в первичной обмотке, вам нужно 50 разделить на площадь сечения сердечника. Сечение вычисляется по формуле:
А мощность Р1 = Р2 / КПД. Коэффициент полезного действия трансформатора никогда не будет более 0,8 (или 80%). Поэтому при расчете берется максимальное значение – 0,8.
Мощность во вторичной обмотке:
Эти данные известны по умолчанию, поэтому произвести расчет не составит труда. Вот как понизить напряжение до 12 вольт, используя трансформатор. Но это не все: бытовая техника питается постоянным током, а на выходе вторичной обмотки — переменный. Потребуется совершить еще несколько преобразований.
Схема блока питания: выпрямитель и фильтр

Далее идет преобразование переменного тока в постоянный. Для этого используются полупроводниковые диоды или сборки. Самый простой тип выпрямителя состоит из одного диода. Называется он однополупериодный. Но максимальное распространение получила мостовая схема, которая позволяет не просто выпрямить переменный ток, но и избавиться максимально от пульсаций. Но такая схема преобразователя все равно неполная, так как от переменной составляющей одними полупроводниковыми диодами не избавиться. А понижающие трансформаторы напряжения 220 В способны преобразовать переменное напряжение в такое же по частоте, но с меньшим значением.
Электролитические конденсаторы используются в блоках питания в качестве фильтров. По теореме Кирхгофа, такой конденсатор в цепи переменного тока является проводником, а при работе с постоянным — разрывом. Поэтому постоянная составляющая будет протекать беспрепятственно, а переменная замкнется сама на себя, следовательно, не пройдет дальше этого фильтра. Простота и надежность – это именно то, что характеризует такие фильтры. Также могут применяться сопротивления и индуктивности для сглаживания пульсаций. Подобные конструкции используются даже в автомобильных генераторах.
Стабилизация напряжения

Вы узнали, как понизить напряжение до нужного уровня. Теперь его нужно стабилизировать. Для этого используются специальные приборы – стабилитроны, которые изготовлены из полупроводниковых компонентов. Они устанавливаются на выходе блока питания постоянного тока. Принцип работы заключается в том, что полупроводник способен пропустить определенное напряжение, излишек преобразуется в тепло и отдается посредством радиатора в атмосферу. Другими словами, если на выходе БП 15 вольт, а установлен стабилизатор на 12 В, то он пропустит именно столько, сколько нужно. А разница в 3 В пойдет на нагрев элемента (закон сохранения энергии действует).
Заключение
Совершенно другая конструкция – это стабилизатор напряжения понижающий, он делает несколько преобразований. Сначала напряжение сети преобразуется в постоянное с большой частотой (до 50 000 Гц). Оно стабилизируется и подается на импульсный трансформатор. Далее происходит обратное преобразование до рабочего напряжения (сетевого или меньшего по значению). Благодаря использованию электронных ключей (тиристоров) постоянное напряжение преобразуется в переменное с необходимой частотой (в сетях нашей страны — 50 Гц).
Понизить напряжение с 12 до 3 вольт


В этой статье расскажу о весьма банальных вещах, что не менялись уже не одно десятилетие, да они вообще не менялись. Другое дело, что с тех пор как был изучен принцип снижения напряжения в замкнутой цепи за счет сопротивления, появились и другие принципы питания нагрузки, за счет ШИМ, но тема это отдельная, хотя и заслуживающая внимания. Поэтому продолжу все-таки по порядку логического русла, когда расскажу о законе Ома, потом о его применении для различных радиоэлементов участвующих в понижении напряжения, а после уже можно упомянуть и о ШИМ.
Закон Ома при понижении напряжения
Собственно был такой дядька Георг Ом, который изучал протекание тока в цепи. Производил измерения, делал определенные выводы и заключения. Итогами его работы стала формула Ома, как говорят закон Ома. Закон описывает зависимость падения напряжения, тока от сопротивления.
Сам закон весьма понятен и схож с представлением таких физических событий как протекание жидкости по трубопроводу. Где жидкость, а вернее ее расход это ток, а ее давление это напряжение. Ну и само собой любые изменения сечения или препятствия в трубе для потока, это будет сопротивлением. Итого получается, что сопротивление «душит» давление, когда из трубы под давлением, могут просто капать капли, и тут же падает и расход. Давление и расход величины весьма зависящие друг от друга, как ток и напряжение. В общем если все записать формулой, то получается так:
R=U/I; То есть давление (U) прямо пропорционально сопротивлению в трубе (R), но если расход (I) будет большой, то значит сопротивления как такового нет… И увеличенный расход должен показывать на пониженное сопротивление.
Весьма туманно, но объективно! Осталось сказать, что закон то этот впрочем, был получен эмпирическим путем, то есть окончательные факторы его изменения весьма не определены.
Теперь вооружившись теоретическими знаниями, продолжим наш путь в познании того, как же снизить нам напряжение.
Как понизить напряжение с 12 на 5 вольт с помощью резистора
Самое простое это взять и использовать нестабилизированную схему. То есть когда напряжение просто понизим за счет сопротивления и все. Рассказывать о таком принципе особо нечего, просто считаем по формуле выше и все. Приведу пример. Скажем снижаем с 12 вольт до 5.
R=U/I. С напряжением понятно, однако смотрите, у нас недостаточно данных! Ничего не известно о «расходе», о токе потребления. То есть если вы решите посчитать сопротивление для понижения напряжения, то обязательно надо знать, сколько же «хочет кушать» наша нагрузка.
Эту величину вам необходимо будет посмотреть на приборе, который вы собираетесь питать или в инструкции к нему. Примем условно ток потребления 50 мА=0,05 А. Осталось также еще заметить, что по этой формуле мы подберем сопротивление, которое будет полностью гасить напряжение, а нам надо оставить 5 вольт, то 12-5=7 вольт подставляем в формулу.
R= 7/0,05=140 Ом нужно сопротивление, чтобы после из 12 вольт получить 5, с током на нагрузке в 50 мА.
Осталось упомянуть о не менее важном! О том, что любое гашение энергии, а в данном случае напряжение, связано с рассеиваемой мощностью, то есть наш резистор должен будет «выдержать» то тепло, которое будет рассеивать. Мощность резистора считается по формуле.
P=U*I. Получаем. P=7*0,05=0,35 Вт должна быть мощность резистора. Не менее. Вот теперь курс расчет для резистора можно считать завершенным.
Как понизить напряжение с 12 на 5 вольт с помощью микросхемы
Ничего принципиально не меняется и в этом случае. Если сравнивать этот вариант понижения через микросхему, с вариантом использующим резистор. По факту здесь все один в один, разве что добавляются полезные «интеллектуальные» особенности подстройки внутреннего сопротивления микросхемы исходя из тока потребления. То есть, как мы поняли из абзаца выше, в зависимости от тока потребления, расчетное сопротивление должно «плавать». Именно это и происходит в микросхеме, когда сопротивление подстраивается под нагрузку таким образом, что на выходе микросхемы всегда одно и тоже напряжение питания! Ну и плюсом идут такие «полезные плюшки» как защита от перегрева и короткого замыкания. Что касательно микросхем, так называемых стабилизаторов напряжения на 5 вольт, то это могут быть: LM7805, КРЕН142ЕН5А. Подключение тоже весьма простое.

Само собой для эффективной работы микросхемы ставим ее на радиатор. Ток стабилизации ограничен 1,5 -2 А.
Вот такие вот принципы понижения напряжения с 12 на 5 вольт. Теперь один раз их поняв, вы сможете легко рассчитать какое сопротивление надо поставить или как подобрать микросхему, чтобы получить любое другое более низкое напряжение.
Осталось сказать пару слов о ШИМ.
Широко импульсная модуляция весьма перспективный и самое главное высокоэффективный метод питания нагрузки, но опять же со своими подводными камнями. Вся суть ШИМ сводится к тому, чтобы выдавать импульсами такое напряжение питание, которое суммарно с моментами отсутствия напряжения будет давать мощность и среднее напряжение достаточное для работы нагрузки. И здесь могут быть проблемы, если подключить источник питания от одного устройства к другому. Ну, самые простые проблемы это отсутствие тех характеристик, которые заявлены. Возможны помехи, неустойчивая работа. В худшем случае ШИМ источник питания может и вовсе сжечь прибор, под которые не предназначен изначально!
Напряжение и сила тока – две основных величины в электричестве. Кроме них выделяют и ряд других величин: заряд, напряженность магнитного поля, напряженность электрического поля, магнитная индукция и другие. Практикующему электрику или электронщику в повседневной работе чаще всего приходится оперировать именно напряжением и током – Вольтами и Амперами. В этой статье мы расскажем именно о напряжении, о том, что это такое и как с ним работать.

Определение физической величины
Напряжение это разность потенциалов между двумя точками, характеризует выполненную работу электрического поля по переносу заряда из первой точки во вторую. Измеряется напряжение в Вольтах. Значит, напряжение может присутствовать только между двумя точками пространства. Следовательно, измерить напряжение в одной точке нельзя.
Потенциал обозначается буквой «Ф», а напряжение буквой «U». Если выразить через разность потенциалов, напряжение равно:
Если выразить через работу, тогда:
где A – работа, q – заряд.
Измерение напряжения
Напряжение измеряется с помощью вольтметра. Щупы вольтметра подключают на две точки напряжение, между которыми нас интересует, или на выводы детали, падение напряжения на которой мы хотим измерить. При этом любое подключение к схеме может влиять на её работу. Это значит, что при добавлении параллельно элементу какой-либо нагрузки ток в цепи изменить и напряжение на элементе измениться по закону Ома.
Вывод:
Вольтметр должен обладать максимально высоким входным сопротивлением, чтобы при его подключении итоговое сопротивление на измеряемом участке оставалось практически неизменным. Сопротивление вольтметра должно стремиться к бесконечности, и чем оно больше, тем большая достоверность показаний.

На точность измерений (класс точности) влияет целый ряд параметров. Для стрелочных приборов – это и точность градуировки измерительной шкалы, конструктивные особенности подвеса стрелки, качество и целостность электромагнитной катушки, состояние возвратных пружин, точность подбора шунта и прочее.
Для цифровых приборов – в основном точность подбора резисторов в измерительном делителе напряжения, разрядность АЦП (чем больше, тем точнее), качество измерительных щупов.

Для измерения постоянного напряжения с помощью цифрового прибора (например, мультиметра), как правило, не имеет значения правильность подключения щупов к измеряемой цепи. Если вы подключите положительный щуп к точке с более отрицательным потенциалом, чем у точки, к которой подключен отрицательный щуп – то на дисплее перед результатом измерения появится знак «–».

А вот если вы меряете стрелочным прибором нужно быть внимательным, При неправильном подсоединении щупов стрелка начнет отклоняться в сторону нуля, упрется в ограничитель. При измерении напряжений близких к пределу измерений или больше она может заклинить или погнуться, после чего о точности и дальнейшей работе этого прибора говорить не приходится.
Для большинства измерений в быту и в электронике на любительском уровне достаточно и вольтметра встроенного в мультиметры типа DT-830 и подобных.
Чем больше измеряемые значения – тем ниже требования к точности, ведь если вы измеряете доли вольта и у вас погрешность в 0.1В – это существенно исказит картину, а если вы измеряете сотни или тысяч вольт, то погрешность и в 5 вольт не сыграет существенной роли.
Что делать если напряжение не подходит для питания нагрузки
Для питания каждого конкретного устройства или аппарата нужно подать напряжение определенной величины, но случается, так что имеющийся у вас источник питания не подходит и выдает низкое или слишком высокое напряжение. Решается эта проблема разными способами, в зависимости от требуемой мощности, напряжения и силы тока.
Как понизить напряжение сопротивлением?
Сопротивление ограничивает ток и при его протекании падает напряжение на сопротивление (токоограничивающий резистор). Такой способ позволяет понизить напряжение для питания маломощных устройств с токами потребления в десятки, максимум сотни миллиампер.
Примером такого питания можно выделить включение светодиода в сеть постоянного тока 12 (например, бортовая сеть автомобиля до 14.7 Вольт). Тогда, если светодиод рассчитан на питание от 3.3 В, током в 20 мА, нужен резистор R:
R=(14.7-3.3)/0.02)= 570 Ом
Но резисторы отличаются по максимальной рассеиваемой мощности:
Ближайший по номиналу в большую сторону – резистор на 0.25 Вт.
Именно рассеиваемая мощность и накладывает ограничение на такой способ питания, обычно мощность резисторов не превышает 5-10 Вт. Получается, что если нужно погасить большое напряжение или запитать таким образом нагрузку мощнее, придется ставить несколько резисторов т.к. мощности одного не хватит и ее можно распределить между несколькими.
Способ снижения напряжения резистором работает и в цепях постоянного тока и в цепях переменного тока.
Недостаток – выходное напряжение ничем нестабилизировано и при увеличении и снижении тока оно изменяется пропорционально номиналу резистора.
Как понизить переменное напряжение дросселем или конденсатором?
Если речь вести только о переменном токе, то можно использовать реактивное сопротивление. Реактивное сопротивление есть только в цепях переменного тока, это связно с особенностями накопления энергии в конденсаторах и катушках индуктивности и законами коммутации.
Дроссель и конденсатор в переменном токе могут быть использованы в роли балластного сопротивления.
Реактивное сопротивление дросселя (и любого индуктивного элемента) зависит от частоты переменного тока (для бытовой электросети 50 Гц) и индуктивности, оно рассчитывается по формуле:

где ω – угловая частота в рад/с, L-индуктивность, 2пи – необходимо для перевода угловой частоты в обычную, f – частота напряжения в Гц.
Реактивное сопротивление конденсатора зависит от его емкости (чем меньше С, тем больше сопротивление) и частоты тока в цепи (чем больше частота, тем меньше сопротивление). Его можно рассчитать так:

Пример использования индуктивного сопротивление – это питание люминесцентных ламп освещения, ДРЛ ламп и ДНаТ. Дроссель ограничивает ток через лампу, в ЛЛ и ДНаТ лампах он используется в паре со стартером или импульсным зажигающем устройством (пусковое реле) для формирования всплеска высокого напряжения включающего лампу. Это связано с природой и принципом работы таких светильников.
А конденсатор используют для питания маломощных устройств, его устанавливают последовательно с питаемой цепью. Такой блок питания называется «бестрансфоматорный блок питания с балластным (гасящим) конденсатором».
Очень часто встречают в качестве ограничителя тока заряда аккумуляторов (например, свинцовых) в носимых фонарях и маломощных радиоприемниках. Недостатки такой схемы очевидны – нет контроля уровня заряда аккумулятора, их выкипание, недозаряд, нестабильность напряжения.

Как понизить и стабилизировать напряжение постоянного тока
Чтобы добиться стабильного выходного напряжения можно использовать параметрические и линейные стабилизаторы. Часто их делают на отечественных микросхемах типа КРЕН или зарубежных типа L78xx, L79xx.

Линейный преобразователь LM317 позволяет стабилизировать любое значение напряжения, он регулируемый до 37В, вы можете сделать простейший регулируемый блок питания на его основе.

Если нужно незначительно снизить напряжение и стабилизировать его описанные ИМС не подойдут. Чтобы они работали должна быть разница порядка 2В и более. Для этого созданы LDO(low dropout)-стабилизаторы. Их отличие заключается в том, что для стабилизации выходного напряжение нужно, чтобы входное его превышало на величину от 1В. Пример такого стабилизатора AMS1117, выпускается в версиях от 1.2 до 5В, чаще всего используют версии на 5 и 3.3В, например в платах Arduino и многом другом.
Конструкция всех вышеописанных линейных понижающих стабилизаторов последовательного типа имеет существенный недостаток – низкий КПД. Чем больше разница между входным и выходным напряжением – тем он ниже. Он просто «сжигает» лишнее напряжение, переводя его в тепло, а потери энергии равны:
Компания AMTECH выпускает ШИМ аналоги преобразователей типа L78xx, они работают по принципу широтно-импульсной модуляции и их КПД равен всегда более 90%.

Они просто включают и выключают напряжение с частотой до 300 кГц (пульсации минимальны). А действующее напряжение стабилизируется на нужном уровне. А схема включения аналогичная линейным аналогам.

Как повысить постоянное напряжение?
Для повышения напряжения производят импульсные преобразователи напряжения. Они могут быть включены и по схеме повышения (boost), и понижения (buck), и по повышающе-понижающей (buck-boost) схеме. Давайте рассмотрим несколько представителей:
1. Плата на базе микросхемы XL6009

2. Плата на базе LM2577, работает на повышение и понижение выходного напряжения.

3. Плата преобразователь на FP6291, подходит для сборки 5 V источника питания, например powerbank. С помощью корректировке номиналов резисторов может перестраиваться на другие напряжения, как и любые другие подобные преобразователь – нужно корректировать цепи обратной связи.

4. Плата на базе MT3608

Здесь всё подписано на плате – площадки для пайки входного – IN и выходного – OUT напряжения. Платы могут иметь регулировку выходного напряжения, а в некоторых случая и ограничения тока, что позволяет сделать простой и эффективный лабораторный блок питания. Большинство преобразователей, как линейных, так и импульсных имеют защиту от КЗ.
Как повысить переменное напряжение?
Для корректировки переменного напряжения используют два основных способа:
Автотрансформатор – это дроссель с одной обмоткой. Обмотка имеет отвод от определенного количества витков, так подключаясь между одним из концов обмотки и отводом, на концах обмотки вы получаете повышенное напряжение во столько раз, во сколько соотносится общее количество витков и количество витков до отвода.
Промышленностью выпускаются ЛАТРы – лабораторные автотрансформаторы, специальные электромеханические устройства для регулировки напряжения. Очень широко применение они нашли в разработке электронных устройств и ремонте источников питания. Регулировка достигается за счет скользящего щеточного контакта, к которому подключается питаемое устройство.

Недостатком таких устройств является отсутствие гальванической развязки. Это значит, что на выходных клеммах может запросто оказаться высокое напряжение, отсюда опасность поражения электрическим током.

Трансформатор – это классический способ изменения величины напряжения. Здесь есть гальваническая развязка от сети, что повышает безопасность таких установок. Величина напряжения на вторичной обмотке зависит от напряжений на первичной обмотки и коэффициента трансформации.

Отдельный вид – это импульсные трансформаторы. Они работают на высоких частотах в десятки и сотни кГц. Используются в подавляющем большинстве импульсных блоках питания, например:
Зарядное устройство вашего смартфона;
Блок питания ноутбука;
Блок питания компьютера.

За счет работы на большой частоте снижаются массогабаритные показатели, они в разы меньше чем у сетевых (50/60 Гц) трансформаторов, количество витков на обмотках и, как следствие, цена. Переход на импульсные блоки питания позволил уменьшить габариты и вес всей современной электроники, снизить её потребление за счет увеличения кпд (в импульсных схемах 70-98%).
В магазинах часто встречаются электронные траснформаторы, на их вход подаётся сетевое напряжение 220В, а на выходе например 12 В переменное высокочастотное, для использования в нагрузке которая питается от постоянного тока нужно дополнительно устанавливать на выход диодный мост из высокоскоростных диодов.

Внутри находится импульсный трансформатор, транзисторные ключи, драйвер, или автогенераторная схема, как изображена ниже.

Достоинства – простота схемы, гальваническая развязка и малые размеры.
Недостатки – большинство моделей, что встречаются в продаже, имеют обратную связь по току, это значит что без нагрузки с минимальной мощностью (указано в спецификациях конкретного прибора) он просто не включится. Отдельные экземпляры оборудованы уже ОС по напряжению и работают на холостом ходу без проблем.
Используются чаще всего для питания 12В галогенных ламп, например точечные светильники подвесного потолка.
Заключение
Мы рассмотрели базовые сведения о напряжении, его измерении, а также регулировки. Современная элементная база и ассортимент готовых блоков и преобразователей позволяет реализовывать любые источники питания с необходимыми выходными характеристиками. Подробнее о каждом из способов можно написать отдельную статью, в пределах этой я постарался уместить базовые сведения, необходимые для быстрого подбора удобного для вас решения.
DC-DC преобразователь 12>3 Вольт, был создан для запитки маломощных плееров с питанием от двух пальчиковых батареек. Поскольку плееры были предназначены для работы в автомобиле, а бортовая сеть автомобиля доставляет 12 Вольт, то каким-то образом нужно было понизить напряжения до номинала 3-4 Вольт.
При заведенном двигателе автомобиля, напряжение бортовой сети повышается до 14 Вольт, это тоже нужно принять во внимание.

3 Вольт» w />
Недолго думая, решил изготовить самый простой понижающий преобразователь, если представленное устройство вообще можно назвать преобразователем. Конструкция DC-DC преобразователя довольно проста и основана на явлении спада напряжения, которое проходит через кристалл полупроводникового диода. Как известно, проходя через полупроводниковый диод, номинал постоянного напряжения спадает в районе 0,7 Вольт. Поэтому, чтобы получить нужный спад напряжения, были использованы 12 дешевых полупроводниковых диода серии IN4007. Это обычные выпрямительные диоды с током 1 Ампер и с обратным напряжением порядка 1000 Вольт, желательно использовать именно эти диоды, поскольку они являются самым доступным и дешевым вариантом. Ни в коем случае не стоит использовать диоды с барьером Шоттки, на них спад напряжения слишком мал, следовательно, для наших целей они не подходят.

3 Вольт» w />
После диодов желательно поставить конденсатор (электролит 100-470мкФ) для сглаживания пульсаций и помех.
Выходное напряжение нашего «DC-DC преобразователя» составляет 3,3-3,7 Вольт, выходной ток (максимальный) до 1 Ампер. В ходе работы диоды должны чуток перегреваться, но это вполне нормально.

3 Вольт» w />
Весь монтаж можно выполнить на обычной макетной плате или же навесным образом, но не стоит забывать, что вибрации могут разрушить места припоев, поэтому в случае использования навесного варианта, диоды желательно приклеить друг к другу с помощью термоклея.

3 Вольт» w />
Аналогичным способом можно понизить напряжение бортовой сети автомобиля до 5 Вольт, для зарядки портативной цифровой электроники — планшетных компьютеров, навигаторов, GPS приемников и мобильных телефонов.
Как снизить напряжение с 12 до 3 вольт
Руководитель и главный редактор сайта, автор статей.
Опыт работы 5 лет.
Согласно ПУЭ для питания переносного освещения должно применяться напряжение не выше 50 Вольт, а при работе в особо опасных и замкнутых пространствах – 12 Вольт (ПУЭ 6.1.16-18). При этом питание должно осуществляться через трансформаторы. Это нужно для того, чтобы исключить поражение электрическим током. Да и не всегда выходные параметры блоков питания или аккумуляторов позволяют подключить гаджеты или другую электронику. В связи со всем этим мы расскажем о том, как понизить напряжение постоянного и переменного тока до нужного вам значения.
Понижаем переменное напряжение
Рассмотрим типовые ситуации, когда нужно опустить напряжение, чтобы подключить прибор, который работает от переменного тока, но напряжение его питания не соответствует привычным 220 Вольтам. Это может быть, как различная бытовая техника, инструмент, так и упомянутые выше светильники.
Подключение бытовой техники из США на 110 В к сети 220 В
Пожалуй, самая частая ситуация возникает, когда человек покупает из зарубежных интернет-магазинов какой-то прибор, а по его получении определяет, что он рассчитан на питание от 110 Вольт. Первый вариант – это перемотать трансформатор питающий устройство, но большинство приборов работают от импульсного источника питания, а для подключения электроинструмента – лучше вообще обойтись без перемотки. Для этого нужно использовать понижающий трансформатор. Кроме этого вы можете понизить напряжение в сети с помощью автотрансформатора или обычного трансформатора с отводами от первичной обмотки на 110-127В – такие часто встречались в советских телевизорах и других электроприборах.

Однако при использовании такого включения трансформатора, если произойдет, обрыв части обмотки после отвода 110 Вольт (см. рисунок ниже) все 220В подойдут на прибор, и он выйдет из строя.

Если говорить о готовых устройствах, то можно обратить внимание на автотрансформаторы «ШТИЛЬ».

Важно! При покупке трансформаторов или автотрансформаторов учитывайте номинальный ток его обмоток и мощность, которую он выдержит.
Более надежным вариантом решения проблемы будет понизить напряжение с 220 до 110В или с 220 до 127В с помощью трансформатора. На рынке есть множество компаний, которые продают такие изделия, в основном это тороидальные трансформаторы. Они бывают в металлических боксах или корпусах меньших размеров со встроенной розеткой, а также в виде адаптеров в пластиковых корпусах.

Подведём итоги, перечислив основные требования к трансформатору для питания 110В приборов:
- На выходе трансформатора должно быть 110В, а на входе – 220В.
- Мощность трансформатора должна быть больше чем мощность подключаемого прибора хотя бы на 20%.
- Желательно защитить первичную и вторичную цепь с помощью предохранителя.
- Доступ к выводам высокого напряжения должен быть ограничен, а все соединения изолированы.
Понижаем напряжение для питания низковольтных светильников
В начале статьи мы упомянули о том, что переносной светильник должен питаться от пониженного напряжения. В быту этот вопрос будет особо актуален для автолюбителей при ремонте автомобиля в гараже. Такие же светильники используются и в качестве местного источника света на станках (сверлильных, токарных, заточных и прочих).

Для того чтобы понизить напряжение с 220 до 36В, можно использовать трансформаторы марки:
- ОСО 0.25 220/36В;
- ОСМ 0.063кВт 220/36;
- ОСЗР 0.063кВт 220/36В;
- Ящик с понижающим трансформатором ЯТП-0,25 220 36В (это готовое решение в металлическом корпусе для монтажа в помещениях, класс защиты IP54).

Для понижения напряжения с 220 до 12В можно использовать трансформаторы марки:
- ОСО25 220/12В;
- TRS 300W AC 220 B-AC 12B (тороидальный не занимает много места);
- 30ВА, 230/12В, 2,5А INDEL TSZS30/005M (маломощный для установки на DIN рейку).
Понижение напряжения в доме
Наряду со скачками в электросети часто возникает проблема с повышенным и пониженным напряжением. Это приводит к преждевременному выходу из строя нагревательных приборов, ламп и других устройств у потребителя. Допустим вам нужно понизить напряжение с 260 до 220В, значит ваш выбор – использование стабилизатора напряжения. Они бывают разных типов, самый дешевый из них – релейный, по сути это автотрансформатор, в котором реле автоматически переключают отводы от обмотки.
Если вам нужно защитить конкретный прибор, например, компьютер – используйте маломощные модели мощностью порядка 1000 ВА (1 кВа), такие, как SVEN VR-L1000, его стоимость 17-20 долларов. Но учтите, что активная выходная мощность у них меньше указанной полной в Вольт-Амперах. К примеру, модель на 1 кВА, может питать нагрузку до 0,3-0,4 кВт. Также смотрите на характеристики. Указанная модель выдерживает до 285 Вольт, но большинство моделей упираются в 260 В.

Чтобы защитить весь дом в большинстве случаев хватит модели RUCELF SRWII-12000-L её полная мощность 12000 ВА, а нагрузочная способность по активной мощности – 10000 Вт. Он выдерживает входное напряжение вплоть до 270В.

Более подробно узнать о том, как выбрать стабилизатор напряжения и какие бывают стабилизаторы, мы рассказывали в статьях:
- https://samelectrik.ru/kakie-byvayut-stabilizatory-napryazheniya.html
- https://samelectrik.ru/sovety-po-vyboru-stabilizatora-napryazheniya.html
- https://samelectrik.ru/rejting-stabilizatorov-napryazheniya-dlya-doma.html
- https://samelectrik.ru/kak-zashhitit-domashnyuyu-elektroprovodku-stabilizatorom-napryazheniya.html
Балластный конденсатор для питания маломощных устройств
Для питания маломощных устройств можно обойтись без трансформатора – одним конденсатором. Такая схема называется бестрансфторматорный блок питания на балластном конденсаторе. Принцип его работы основан на ограничении тока с помощью реактивного сопротивления ёмкости. Ниже вы видите варианты её реализации.

Расчёт ёмкости балластного конденсатора для бестранформаторного питания производится исходя из потребления тока нагрузкой и напряжения её питания.

Или по такой формуле, результат они дают приблизительно одинаковый:

Кстати, выражение под корнем в результате при расчётах конденсаторов для питания устройств от 5-20В даёт примерно 220, или значение равное Uвходному.
Такой источник питания подходит для подключения приёмников, светодиодов, ночников, зарядки небольших аккумуляторов и других маломощных потребителей.
Понижаем постоянное напряжение
При конструировании электроники часто возникает необходимость понижения напряжения имеющегося блока питания. Мы также рассмотрим несколько типовых ситуаций.
Если вы работаете с микроконтроллерами – могли заметить, что некоторые из них работают от 3 Вольт. Найти соответствующие блоки питания бывает непросто, поэтому можно использовать зарядное устройство для телефона. Тогда вам нужно понизить его выход с 5 до 3 Вольт (3,3В). Это можно сделать, если опустить выходное напряжение блока питания путём замены стабилитрона в цепи обратной связи. Вы можете добиться любого напряжения как повышенного, так и пониженного – установив стабилитрон нужного номинала. Определить его можно методом подбора, на схеме ниже он выделен красным эллипсом.

А на плате он выглядит следующим образом:

На следующем видео автор демонстрирует такую переделку, только не на понижение, а на повышение выходных параметров.
На зарядных устройствах более совершенной конструкции используется регулируемый стабилитрон TL431, тогда регулировка возможна заменой резистора или соотношением пары резисторов, в зависимости от схемотехники. На схеме ниже они обозначены красным.

Кроме замены стабилитрона на плате ЗУ, можно опустить напряжение с помощью резистора и стабилитрона – это называется параметрический стабилизатор.

Еще один вариант – установить в разрыв цепи цепочку из диодов. На каждом кремниевом диоде упадёт около 0,6-0,7 Вольт. Так опустить напряжение до нужного уровня можно, набрав нужное количество диодов.
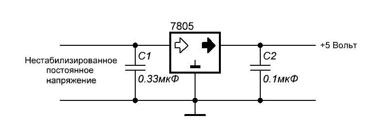
Часто возникает необходимость подключить устройство к бортовой сети автомобиля, оно колеблется от 12 до 14,3-14,7 Вольт. Чтобы понизить напряжение постоянного тока с 12 до 9 Вольт можно использовать линейный стабилизатор типа L7809, а, чтобы опустить с 12 до 5 Вольт – используйте L7805. Или их аналоги ams1117-5.0 или ams1117-9.0 или amsr-7805-nz и подобные на любое нужное напряжение. Схема подключения таких стабилизаторов изображена ниже.

Для питания более мощных потребителей удобно использовать импульсные преобразователи для понижения и регулировки напряжения от источника питания. Примером таких устройств являются платы на LM2596, а в англо-язычных интернет-магазинах их можно найти по запросам «DC-DC step down» или «DC-DC buck converter».

Напоследок рекомендуем просмотреть видео, на которых наглядно рассмотрены способы понижения напряжения:
Вот и все наиболее рациональные варианты, позволяющие понизить напряжение постоянного и переменного тока. Надеемся, предоставленная информация была для вас полезной и интересной!
Наверняка вы не знаете:
- Что делать, если низкое напряжение в сети
- Как сделать сетевой фильтр своими руками
- Как сделать трансформатор в домашних условиях
Как понизить напряжение с 12
Понизить напряжение с 12 до 5 вольт – Как понизить напряжение с 12 на 5 вольт (резистор, микросхема)
Напряжение и сила тока – две основных величины в электричестве. Кроме них выделяют и ряд других величин: заряд, напряженность магнитного поля, напряженность электрического поля, магнитная индукция и другие. Практикующему электрику или электронщику в повседневной работе чаще всего приходится оперировать именно напряжением и током – Вольтами и Амперами. В этой статье мы расскажем именно о напряжении, о том, что это такое и как с ним работать.

Определение физической величины
Напряжение это разность потенциалов между двумя точками, характеризует выполненную работу электрического поля по переносу заряда из первой точки во вторую. Измеряется напряжение в Вольтах. Значит, напряжение может присутствовать только между двумя точками пространства. Следовательно, измерить напряжение в одной точке нельзя.
Потенциал обозначается буквой «Ф», а напряжение буквой «U». Если выразить через разность потенциалов, напряжение равно:
Если выразить через работу, тогда:
где A – работа, q – заряд.
Измерение напряжения
Напряжение измеряется с помощью вольтметра. Щупы вольтметра подключают на две точки напряжение, между которыми нас интересует, или на выводы детали, падение напряжения на которой мы хотим измерить. При этом любое подключение к схеме может влиять на её работу. Это значит, что при добавлении параллельно элементу какой-либо нагрузки ток в цепи изменить и напряжение на элементе измениться по закону Ома.
Вывод:
Вольтметр должен обладать максимально высоким входным сопротивлением, чтобы при его подключении итоговое сопротивление на измеряемом участке оставалось практически неизменным. Сопротивление вольтметра должно стремиться к бесконечности, и чем оно больше, тем большая достоверность показаний.

На точность измерений (класс точности) влияет целый ряд параметров. Для стрелочных приборов – это и точность градуировки измерительной шкалы, конструктивные особенности подвеса стрелки, качество и целостность электромагнитной катушки, состояние возвратных пружин, точность подбора шунта и прочее.
Для цифровых приборов – в основном точность подбора резисторов в измерительном делителе напряжения, разрядность АЦП (чем больше, тем точнее), качество измерительных щупов.

Для измерения постоянного напряжения с помощью цифрового прибора (например, мультиметра), как правило, не имеет значения правильность подключения щупов к измеряемой цепи. Если вы подключите положительный щуп к точке с более отрицательным потенциалом, чем у точки, к которой подключен отрицательный щуп – то на дисплее перед результатом измерения появится знак «–».

А вот если вы меряете стрелочным прибором нужно быть внимательным, При неправильном подсоединении щупов стрелка начнет отклоняться в сторону нуля, упрется в ограничитель. При измерении напряжений близких к пределу измерений или больше она может заклинить или погнуться, после чего о точности и дальнейшей работе этого прибора говорить не приходится.
Для большинства измерений в быту и в электронике на любительском уровне достаточно и вольтметра встроенного в мультиметры типа DT-830 и подобных.
Чем больше измеряемые значения – тем ниже требования к точности, ведь если вы измеряете доли вольта и у вас погрешность в 0.1В – это существенно исказит картину, а если вы измеряете сотни или тысяч вольт, то погрешность и в 5 вольт не сыграет существенной роли.
Что делать если напряжение не подходит для питания нагрузки
Для питания каждого конкретного устройства или аппарата нужно подать напряжение определенной величины, но случается, так что имеющийся у вас источник питания не подходит и выдает низкое или слишком высокое напряжение. Решается эта проблема разными способами, в зависимости от требуемой мощности, напряжения и силы тока.
Как понизить напряжение сопротивлением?
Сопротивление ограничивает ток и при его протекании падает напряжение на сопротивление (токоограничивающий резистор). Такой способ позволяет понизить напряжение для питания маломощных устройств с токами потребления в десятки, максимум сотни миллиампер.
Примером такого питания можно выделить включение светодиода в сеть постоянного тока 12 (например, бортовая сеть автомобиля до 14.7 Вольт). Тогда, если светодиод рассчитан на питание от 3.3 В, током в 20 мА, нужен резистор R:
R=(14.7-3.3)/0.02)= 570 Ом
Но резисторы отличаются по максимальной рассеиваемой мощности:
Ближайший по номиналу в большую сторону – резистор на 0.25 Вт.
Именно рассеиваемая мощность и накладывает ограничение на такой способ питания, обычно мощность резисторов не превышает 5-10 Вт. Получается, что если нужно погасить большое напряжение или запитать таким образом нагрузку мощнее, придется ставить несколько резисторов т.к. мощности одного не хватит и ее можно распределить между несколькими.
Способ снижения напряжения резистором работает и в цепях постоянного тока и в цепях переменного тока.
Недостаток – выходное напряжение ничем нестабилизировано и при увеличении и снижении тока оно изменяется пропорционально номиналу резистора.
Как понизить переменное напряжение дросселем или конденсатором?
Если речь вести только о переменном токе, то можно использовать реактивное сопротивление. Реактивное сопротивление есть только в цепях переменного тока, это связно с особенностями накопления энергии в конденсаторах и катушках индуктивности и законами коммутации.
Дроссель и конденсатор в переменном токе могут быть использованы в роли балластного сопротивления.
Реактивное сопротивление дросселя (и любого индуктивного элемента) зависит от частоты переменного тока (для бытовой электросети 50 Гц) и индуктивности, оно рассчитывается по формуле:
где ω – угловая частота в рад/с, L-индуктивность, 2пи – необходимо для перевода угловой частоты в обычную, f – частота напряжения в Гц.
Реактивное сопротивление конденсатора зависит от его емкости (чем меньше С, тем больше сопротивление) и частоты тока в цепи (чем больше частота, тем меньше сопротивление). Его можно рассчитать так:
Пример использования индуктивного сопротивление – это питание люминесцентных ламп освещения, ДРЛ ламп и ДНаТ. Дроссель ограничивает ток через лампу, в ЛЛ и ДНаТ лампах он используется в паре со стартером или импульсным зажигающем устройством (пусковое реле) для формирования всплеска высокого напряжения включающего лампу. Это связано с природой и принципом работы таких светильников.
А конденсатор используют для питания маломощных устройств, его устанавливают последовательно с питаемой цепью. Такой блок питания называется «бестрансфоматорный блок питания с балластным (гасящим) конденсатором».
Очень часто встречают в качестве ограничителя тока заряда аккумуляторов (например, свинцовых) в носимых фонарях и маломощных радиоприемниках. Недостатки такой схемы очевидны – нет контроля уровня заряда аккумулятора, их выкипание, недозаряд, нестабильность напряжения.

Как понизить и стабилизировать напряжение постоянного тока
Чтобы добиться стабильного выходного напряжения можно использовать параметрические и линейные стабилизаторы. Часто их делают на отечественных микросхемах типа КРЕН или зарубежных типа L78xx, L79xx.

Линейный преобразователь LM317 позволяет стабилизировать любое значение напряжения, он регулируемый до 37В, вы можете сделать простейший регулируемый блок питания на его основе.

Если нужно незначительно снизить напряжение и стабилизировать его описанные ИМС не подойдут. Чтобы они работали должна быть разница порядка 2В и более. Для этого созданы LDO(low dropout)-стабилизаторы. Их отличие заключается в том, что для стабилизации выходного напряжение нужно, чтобы входное его превышало на величину от 1В. Пример такого стабилизатора AMS1117, выпускается в версиях от 1.2 до 5В, чаще всего используют версии на 5 и 3.3В, например в платах Arduino и многом другом.
Конструкция всех вышеописанных линейных понижающих стабилизаторов последовательного типа имеет существенный недостаток – низкий КПД. Чем больше разница между входным и выходным напряжением – тем он ниже. Он просто «сжигает» лишнее напряжение, переводя его в тепло, а потери энергии равны:
Компания AMTECH выпускает ШИМ аналоги преобразователей типа L78xx, они работают по принципу широтно-импульсной модуляции и их КПД равен всегда более 90%.
Они просто включают и выключают напряжение с частотой до 300 кГц (пульсации минимальны). А действующее напряжение стабилизируется на нужном уровне. А схема включения аналогичная линейным аналогам.

Как повысить постоянное напряжение?
Для повышения напряжения производят импульсные преобразователи напряжения. Они могут быть включены и по схеме повышения (boost), и понижения (buck), и по повышающе-понижающей (buck-boost) схеме. Давайте рассмотрим несколько представителей:
1. Плата на базе микросхемы XL6009

2. Плата на базе LM2577, работает на повышение и понижение выходного напряжения.

3. Плата преобразователь на FP6291, подходит для сборки 5 V источника питания, например powerbank. С помощью корректировке номиналов резисторов может перестраиваться на другие напряжения, как и любые другие подобные преобразователь – нужно корректировать цепи обратной связи.

4. Плата на базе MT3608

Здесь всё подписано на плате – площадки для пайки входного – IN и выходного – OUT напряжения. Платы могут иметь регулировку выходного напряжения, а в некоторых случая и ограничения тока, что позволяет сделать простой и эффективный лабораторный блок питания. Большинство преобразователей, как линейных, так и импульсных имеют защиту от КЗ.
Как повысить переменное напряжение?
Для корректировки переменного напряжения используют два основных способа:
Автотрансформатор – это дроссель с одной обмоткой. Обмотка имеет отвод от определенного количества витков, так подключаясь между одним из концов обмотки и отводом, на концах обмотки вы получаете повышенное напряжение во столько раз, во сколько соотносится общее количество витков и количество витков до отвода.
Промышленностью выпускаются ЛАТРы – лабораторные автотрансформаторы, специальные электромеханические устройства для регулировки напряжения. Очень широко применение они нашли в разработке электронных устройств и ремонте источников питания. Регулировка достигается за счет скользящего щеточного контакта, к которому подключается питаемое устройство.

Недостатком таких устройств является отсутствие гальванической развязки. Это значит, что на выходных клеммах может запросто оказаться высокое напряжение, отсюда опасность поражения электрическим током.

Трансформатор – это классический способ изменения величины напряжения. Здесь есть гальваническая развязка от сети, что повышает безопасность таких установок. Величина напряжения на вторичной обмотке зависит от напряжений на первичной обмотки и коэффициента трансформации.

Отдельный вид – это импульсные трансформаторы. Они работают на высоких частотах в десятки и сотни кГц. Используются в подавляющем большинстве импульсных блоках питания, например:
Зарядное устройство вашего смартфона;
Блок питания ноутбука;
Блок питания компьютера.

За счет работы на большой частоте снижаются массогабаритные показатели, они в разы меньше чем у сетевых (50/60 Гц) трансформаторов, количество витков на обмотках и, как следствие, цена. Переход на импульсные блоки питания позволил уменьшить габариты и вес всей современной электроники, снизить её потребление за счет увеличения кпд (в импульсных схемах 70-98%).
В магазинах часто встречаются электронные траснформаторы, на их вход подаётся сетевое напряжение 220В, а на выходе например 12 В переменное высокочастотное, для использования в нагрузке которая питается от постоянного тока нужно дополнительно устанавливать на выход диодный мост из высокоскоростных диодов.

Внутри находится импульсный трансформатор, транзисторные ключи, драйвер, или автогенераторная схема, как изображена ниже.

Достоинства – простота схемы, гальваническая развязка и малые размеры.
Недостатки – большинство моделей, что встречаются в продаже, имеют обратную связь по току, это значит что без нагрузки с минимальной мощностью (указано в спецификациях конкретного прибора) он просто не включится. Отдельные экземпляры оборудованы уже ОС по напряжению и работают на холостом ходу без проблем.
Используются чаще всего для питания 12В галогенных ламп, например точечные светильники подвесного потолка.
Заключение
Мы рассмотрели базовые сведения о напряжении, его измерении, а также регулировки. Современная элементная база и ассортимент готовых блоков и преобразователей позволяет реализовывать любые источники питания с необходимыми выходными характеристиками. Подробнее о каждом из способов можно написать отдельную статью, в пределах этой я постарался уместить базовые сведения, необходимые для быстрого подбора удобного для вас решения.
Привет друзья. Имеется блок питания 24в 4а. Подскажите, как изменить выходное напряжение на 18в без потери мощности.
Как понизить напряжение: способы и приборы
Нужно знать, как понизить напряжение в цепи, чтобы не повредить электрические приборы. Всем известно, что к домам подходит два провода – ноль и фаза. Это называется однофазной сетью. Трехфазная крайне редко используется в частном секторе и многоквартирных домах. Необходимости в ней просто нет, так как вся бытовая техника питается от сети переменного однофазного тока. Но вот в самой технике требуется делать преобразования – понижать переменное напряжение, преобразовывать его в постоянное, изменять амплитуду и прочие характеристики. Именно эти моменты и нужно рассмотреть.
Снижение напряжения с помощью трансформаторов

Самый простой способ – это использовать трансформатор пониженного напряжения, который совершает преобразования. Первичная обмотка содержит большее число витков, чем вторичная. Если есть необходимость снизить напряжение вдвое или втрое, вторичную обмотку можно и не использовать. Первичная обмотка трансформатора используется в качестве индуктивного делителя (если от нее имеются отводы). В бытовой технике используются трансформаторы, со вторичных обмоток которых снимается напряжение 5, 12 или 24 Вольта.
Это наиболее часто используемые значения в современной бытовой технике. 20-30 лет назад большая часть техники питалась напряжением в 9 Вольт. А ламповые телевизоры и усилители требовали наличия постоянного напряжения 150-250 В и переменного для нитей накала 6,3 (некоторые лампы питались от 12,6 В). Поэтому вторичная обмотка трансформаторов содержала такое же количество витков, как и первичная. В современной технике все чаще используются инверторные блоки питания (как на компьютерных БП), в их конструкцию входит трансформатор повышающего типа, он имеет очень маленькие габариты.
Делитель напряжения на индуктивностях

Индуктивность – это катушка, намотанная медным (как правило) проводом на металлическом или ферромагнитном сердечнике. Трансформатор – это один из видов индуктивности. Если от середины первичной обмотки сделать отвод, то между ним и крайними выводами будет равное напряжение. И оно будет равно половине напряжения питания. Но это в том случае, если сам трансформатор рассчитан на работу именно с таким питающим напряжением.
Но можно использовать несколько катушек (для примера можно взять две), соединить их последовательно и включить в сеть переменного тока. Зная значения индуктивностей, несложно произвести расчет падения на каждой из них:
- U(L1) = U1 * (L1 / (L1 + L2)).
- U(L2) = U1 * (L2 / (L1 + L2)).
В этих формулах L1 и L2 – индуктивности первой и второй катушек, U1 – напряжение питающей сети в Вольтах, U(L1) и U(L2) – падение напряжения на первой и второй индуктивностях соответственно. Схема такого делителя широко применяется в цепях измерительных устройств.
Делитель на конденсаторах

Очень популярная схема, используется для снижения значения питающей сети переменного тока. Применять ее в цепях постоянного тока нельзя, так как конденсатор, по теореме Кирхгофа, в цепи постоянного тока – это разрыв. Другими словами, ток по нему протекать не будет. Но зато при работе в цепи переменного тока конденсатор обладает реактивным сопротивлением, которое и способно погасить напряжение. Схема делителя похожа на ту, которая была описана выше, но вместо индуктивностей используются конденсаторы. Расчет производится по следующим формулам:
- Реактивное сопротивление конденсатора: Х(С) = 1 / (2 * 3,14 *f * C).
- Падение напряжения на С1: U(C1) = (C2 * U) / (C1 + C2).
- Падение напряжения на С2: U(C1) = (C1 * U) / (C1 + C2).
Здесь С1 и С2 – емкости конденсаторов, U – напряжение в питающей сети, f – частота тока.
Делитель на резисторах
Схема во многом похожа на предыдущие, но используются постоянные резисторы. Методика расчета такого делителя немного отличается от приведенных выше. Использоваться схема может как в цепях переменного, так и постоянного тока. Можно сказать, что она универсальная. С ее помощью можно собрать понижающий преобразователь напряжения. Расчет падения на каждом резисторе производится по следующим формулам:
- U(R1) = (R1 * U) / (R1 + R2).
- U(R2) = (R2 * U) / (R1 + R2).
Нужно отметить один нюанс: величина сопротивления нагрузки должна быть на 1-2 порядка меньше, чем у делительных резисторов. В противном случае точность расчета будет очень грубая.
Практическая схема блока питания: трансформатор

Для выбора питающего трансформатора вам потребуется знать несколько основных данных:
- Мощность потребителей, которые нужно подключать.
- Значение напряжения питающей сети.
- Значение необходимого напряжения во вторичной обмотке.
Чтобы рассчитать число витков в первичной обмотке, вам нужно 50 разделить на площадь сечения сердечника. Сечение вычисляется по формуле:
А мощность Р1 = Р2 / КПД. Коэффициент полезного действия трансформатора никогда не будет более 0,8 (или 80%). Поэтому при расчете берется максимальное значение – 0,8.
Мощность во вторичной обмотке:
Эти данные известны по умолчанию, поэтому произвести расчет не составит труда. Вот как понизить напряжение до 12 вольт, используя трансформатор. Но это не все: бытовая техника питается постоянным током, а на выходе вторичной обмотки — переменный. Потребуется совершить еще несколько преобразований.
Схема блока питания: выпрямитель и фильтр

Далее идет преобразование переменного тока в постоянный. Для этого используются полупроводниковые диоды или сборки. Самый простой тип выпрямителя состоит из одного диода. Называется он однополупериодный. Но максимальное распространение получила мостовая схема, которая позволяет не просто выпрямить переменный ток, но и избавиться максимально от пульсаций. Но такая схема преобразователя все равно неполная, так как от переменной составляющей одними полупроводниковыми диодами не избавиться. А понижающие трансформаторы напряжения 220 В способны преобразовать переменное напряжение в такое же по частоте, но с меньшим значением.
Электролитические конденсаторы используются в блоках питания в качестве фильтров. По теореме Кирхгофа, такой конденсатор в цепи переменного тока является проводником, а при работе с постоянным — разрывом. Поэтому постоянная составляющая будет протекать беспрепятственно, а переменная замкнется сама на себя, следовательно, не пройдет дальше этого фильтра. Простота и надежность – это именно то, что характеризует такие фильтры. Также могут применяться сопротивления и индуктивности для сглаживания пульсаций. Подобные конструкции используются даже в автомобильных генераторах.
Стабилизация напряжения

Вы узнали, как понизить напряжение до нужного уровня. Теперь его нужно стабилизировать. Для этого используются специальные приборы – стабилитроны, которые изготовлены из полупроводниковых компонентов. Они устанавливаются на выходе блока питания постоянного тока. Принцип работы заключается в том, что полупроводник способен пропустить определенное напряжение, излишек преобразуется в тепло и отдается посредством радиатора в атмосферу. Другими словами, если на выходе БП 15 вольт, а установлен стабилизатор на 12 В, то он пропустит именно столько, сколько нужно. А разница в 3 В пойдет на нагрев элемента (закон сохранения энергии действует).
Заключение
Совершенно другая конструкция – это стабилизатор напряжения понижающий, он делает несколько преобразований. Сначала напряжение сети преобразуется в постоянное с большой частотой (до 50 000 Гц). Оно стабилизируется и подается на импульсный трансформатор. Далее происходит обратное преобразование до рабочего напряжения (сетевого или меньшего по значению). Благодаря использованию электронных ключей (тиристоров) постоянное напряжение преобразуется в переменное с необходимой частотой (в сетях нашей страны — 50 Гц).
Понизить напряжение с 12 до 7.5 вольт. Как понизить напряжение: способы и приборы
Как получить нестандартное напряжение, которое не укладывается в диапазон стандартного?
Стандартное напряжение – это такое напряжение, которое очень часто используется в ваших электронных безделушках. Это напряжение в 1,5 Вольта, 3 Вольта, 5 Вольт, 9 Вольт, 12 Вольт, 24 Вольт и тд. Например, в ваш допотопный МР3 плеер вмещалась одна батарейка в 1,5 Вольта. На пульте дистанционного управления ТВ используются уже две батарейки по 1,5 Вольта, включенные последовательно, значит уже 3 Вольта. В USB разъеме самые крайние контакты с потенциалом в 5 Вольт. Наверное, у всех в детстве была Денди? Чтобы питать Денди нужно было подавать на нее напряжение в 9 Вольт. Ну 12 Вольт используется практически во всех автомобилях. 24 Вольта используется уже в основном в промышленности. Также для этого, условно говоря, стандартного ряда “заточены” различные потребители этого напряжения: лампочки, проигрыватели, и тд.
Но, увы, наш мир не идеален. Иногда просто ну очень надо получить напряжение не из стандартного ряда. Например, 9,6 Вольт. Ну ни так ни сяк… Да, здесь нас выручает Блок питания . Но опять же, если использовать готовый блок питания, то наряду с электронной безделушкой придется таскать и его. Как же решить этот вопрос? Итак, я Вам приведу три варианта:
Вариант №1
Сделать в схеме электронной безделушки регулятор напряжения вот по такой схеме (более подробно ):
Вариант №2
На Трехвыводных стабилизаторах напряжения построить стабильный источник нестандартного напряжения. Схемы в студию!
Что мы в результате видим? Видим стабилизатор напряжения и стабилитрон, подключенный к среднему выводу стабилизатора. ХХ – это две последние цифры, написанные на стабилизаторе. Там могут быть цифры 05, 09, 12 , 15, 18, 24. Может уже есть даже больше 24. Не знаю, врать не буду. Эти две последние цифры говорят нам о напряжении, которое будет выдавать стабилизатор по классической схеме включения:
Здесь стабилизатор 7805 выдает нам по такой схеме 5 Вольт на выходе. 7812 будет выдавать 12 Вольт, 7815 – 15 Вольт. Более подробно про стабилизаторы можно прочитать .
U стабилитрона – это напряжение стабилизации на стабилитроне. Если мы возьмем стабилитрон с напряжением стабилизации 3 Вольта и стабилизатор напряжение 7805, то на выходе получим 8 Вольт. 8 Вольт – уже нестандартный ряд напряжения;-). Получается, что подобрав нужный стабилизатор и нужный стабилитрон, можно с легкостью получить очень стабильное напряжение из нестандартного ряда напряжений;-).
Давайте все это рассмотрим на примере. Так как я просто замеряю напряжение на выводах стабилизатора, поэтому конденсаторы не использую. Если бы я питал нагрузку, тогда бы использовал и конденсаторы. Подопытным кроликом у нас является стабилизатор 7805. Подаем на вход этого стабилизатора 9 Вольт от балды:
Следовательно, на выходе будет 5 Вольт, все таки как-никак стабилизатор 7805.
Теперь берем стабилитрон на U стабилизации =2,4 Вольта и вставляем его по этой схеме, можно и без конденсаторов, все-таки делаем просто замеры напряжения.
Опа-на, 7,3 Вольта! 5+2,4 Вольта. Работает! Так как у меня стабилитроны не высокоточные (прецизионные), то и напряжение стабилитрона может чуточку различаться от паспортного (напряжение, заявленное производителем). Ну, я думаю, это не беда. 0,1 Вольт для нас погоды не сделают. Как я уже сказал, таким образом можно подобрать любое значение из ряда вон.
Вариант №3
Есть также другой подобный способ, но здесь используются диоды. Может быть Вам известно, что падение напряжение на прямом переходе кремниевого диода составляет 0,6-0,7 Вольт, а германиевого диода – 0,3-0,4 Вольта ? Именно этим свойством диода и воспользуемся;-).
Итак, схему в студию!
Собираем по схеме данную конструкцию. Нестабилизированное входное постоянное напряжение также и осталось 9 Вольт. Стабилизатор 7805.
Итак, что на выходе?
Почти 5.7 Вольт;-), что и требовалось доказать.
Если два диода соединять последовательно, то на каждом из них будет падать напряжение, следовательно, оно будет суммироваться:
На каждом кремниевом диоде падает по 0,7 Вольт, значит, 0,7+0,7=1,4 Вольта. Также и с германиевыми. Можно соединить и три, и четыре диода, тогда нужно суммировать напряжения на каждом. На практике более трех диодов не используют. Диоды можно ставить даже малой мощности, так как в этом случае ток через них все равно будет мал.
Повышающий DC-DC преобразователь 5-12 вольт, проще всего собрать на LM2577, которая обеспечивает выход 12V, используя входной сигнал 5V и максимальный ток нагрузки 800 мА. М\С LM2577 — это повышающий прямоходовый импульсный преобразователь. Она доступна в трех различных версиях выходного напряжения: 12 В, 15 В и регулируемая. Вот подробная документация .
Схема на ней требует минимального количества внешних компонентов, а также такие регуляторы экономически эффективным и простые в использовании. Другие особенности: встроенный генератор на фиксированной частоте 52 кГц, который не требует никаких внешних компонентов, мягкий режим запуска для снижения пускового тока и режим регулирования по току для улучшения отклонении входного напряжения и выходной переменной нагрузки.
Характеристики преобразователя на LM2577
- Входное напряжение 5 В постоянного тока
- Выходное 12 В постоянного тока
- Нагрузочный ток 800 мА
- Функция плавного пуска
- Отключение при перегреве

Здесь применена регулируемая микросхема LM2577-adj . Для получения других выходных напряжений надо изменить величину резистора обратной связи R2 и R3. Выходное напряжение рассчитывается по формуле:
V Out = 1.23V (1+R2/R3)
В общем LM2577 стоит недорого, дроссель в этой схеме унифицированный — на 100 мкГн и предельный ток 1 А. Благодаря импульсной работе каких-то больших радиаторов для охлаждения не требуется — так что эту схему преобразователя можно смело рекомендовать для повторения. Особенно она пригодится в случаях, когда из USB выхода надо получить 12 вольт.
ПРЕОБРАЗОВАТЕЛЬ НАПРЯЖЕНИЯ С 24 НА 5 ВОЛЬТ. Как понизить с 24 до 12 вольт 5 ампер. Понизить напряжение с 24 до 12 вольт
— prg-rb
Как понизить напряжение с 24 вольт до 12 вольт наиболее простым способом.
- Один вариант последовательно через неполярный мощный конденсатор в сеть включить, емкость подобрать. Другой вариант- на плате стабилизатора, рядом с стабилитроном должен управляющий резистор стоять, возможно он и переменный. для постоянки первый вариант не подойдт. Не прочитал сразу.
- КР142ЕН8Б -самый лучший вариант. на ногу1 (если смотреть на «морду»кренки) -подашь 24 Вольта, нога2-это общий минус, нога 3-выход 12 Вольт. и ещ-кренка должна стоять на радиаторе!
- Назовите, пожалуйста, марку принтера. Лучше бы переделать сам БП. Паяльником помахиваете — разберемся, что нада сделать. Правда, это уже не самый простой метод. Самый простой установите в разрыв плюсового провода стабилизатор КР142ен8в (15 В, 1,5 А) 1 ножку к БП, 2 вывод -к минусовому проводу, 3 выв. — к усилителю. Не забудьте установить МС на радиатор. Судя по питающтм напряжениям — усилитель у Вас с выходной мощностью не более 8 Вт (не китайских, а электрических)
КАК СДЕЛАТЬ ИЗ 12 ВОЛЬТ 24
Недавно мы рассматривали устройство понижающее напряжение с 24 до 12 вольт, а теперь изучим повышающий преобразователь 12-24 В. Этот DC-DC преобразователь собран на основе специализированной микросхемы LM2585 производства Texas Instruments. Схема понадобилась для использования в авто (в частности для зарядки ноутбука на 20 В) и была выбрана за предельную простоту, требующую минимального числа внешних компонентов. Элемент переключения — транзистор, интегрирован внутрь регулятора, и способен выдерживать максимальный ток 3А и 60V напряжения. Частота переключения определяется параметрами внутреннего генератора и зафиксирована на 100 кГц. Дополнительные функции — схема плавного пуска, чтобы устранить скачки тока во время пуска и внутреннее ограничение тока. Поддержание точности выходного напряжения составляет 4% в зависимости от нагрузки.
Схема преобразователя 12-24 В
Плата печатная преобразователя 12-24

Технические характеристики преобразователя
- Vin 10-15V DC
- Vout 24V
- Iout 1А
- частота 100 кГц
Вообще сама микросхема обладает более широким диапазоном напряжений и токов. Входное напряжение 4-40 В, выходное до 60 вольт, а предельный ток 3 ампера. Более подробно изучайте в даташите на LM2585.

Входные конденсаторе и диоде должны располагаться достаточно близко к регулятору, чтобы свести к минимуму индуктивности. Элементы IC1, L1, D1, C1, C2, C5, C6 — основные части, используемые в преобразователе напряжения. Конденсатор С3 при монтаже должен располагаться как можно ближе к IC1. Конденсаторы выбирайте типа low ESR с низким сопротивлением постоянному току.

При максимальной выходной мощности, заметна значительная выработка тепла, по этой причине микросхема монтируется непосредственно на общей земле платы.
Графики работы инвертора



Последний график показывает пульсации выходного напряжения и тока индуктивности. Мы видим, что пульсации выходного напряжения составляет около 0,6 Vpp и пиковый ток 2,4 А. Дроссель в конструкции использован на 5 A постоянного тока, поэтому он может легко выдержать такой ток и без особого нагрева катушки.
6 Ответы
Связанные вопросы
3 годов назад от Алеся Волкова
11 месяцев назад от MichaelSloks
2 годов назад от Алексей Рассолов
Подсажите!! как понизить напряжение, на выходе трансформатора
Дружбан-электрик. ну шо ты хуйней маешься. дурные вопросы задаешь. если ты смог уменьшить напряжение с 220 вольт до 24х. то додумаешься уменьшить количество витков во вторичной обмотке трансформатора еще. до получения 12 вольт на выходе.
если знаешь ток в нагрузке то можешь погасить дополнительным сопротивлением R=12вольт/ток, только с мощьностью резистора не прогадай
Поставь сопротивление (резистор), а лучше диодный мост, фильтр(конденсатор) и стабилитрон
только из трансформатора выходит переменный ток, а мостом ты его выпрямишь и изменишь частоту, а если нечего нету — перематывай трансформатор.
Тебе нужен трансформатор 220/12, а не 220/24. Если нет возможности поменять, а нужно изобретать из того, что есть, то надо отмотать от вторичной обмотки витки. Вторичная обмотка наматывается более толстым проводом. Нужно отмотать 10 витков и замерить напряжение на вторичной обмотке (на выходе) . Допустим стало вместо 24вольта 22вольта. Это значит, что у тебя на 1 вольт — 5 витков. Значит тебе нужно отмотать 60 витков. Удачи, коллега!
Predlagaju esche odnu ideju: stavish diod. Odin. V lubom vkluchenii.
Itogo: esli u teb»a bylo 24V peremenki- poluchish slegka sglazhennyh 12V.
Просто отмотав половину вторичной обмотки понизиш нетолько напряжение но и допустимый ток. Лучше смотай всю вторичку и перемотай проводом потолще на половину меньше витков.
Как понизить напряжение с 24 вольт до 12 вольт наиболее.
Поставить понижающий трансформатор
Для автоусилителя этот блок питания не подойдет, т. к. он слишком слабый 24Вт, я думаю ваш усилитель помощнее будет
наверное стабилизатор поставить из темы lm317 (можно конечно разобрать и поменять сопрот около оптопары ОС но это зависит от схемотехники и сложнее стаба)
Делитель напряжения на сопротивлениях. Вспомни законы Киргофа или Ома
Через лампочку. Методом подбора.
Если ток переменный — трансформатором (намотайте сами) . Если постоянный — найлучший вариант — стабилизатор (крен8б, 7812 и т. д.) если нужен мааалентький ток — делитель напряжения на 2 резисторах.
самый простой подцепить потребитель на 12 вольт
можно взять лампочку на 12 вольт и включить последовательно цепи. То есть к плюсу подсоединить + усилителя к — усилтеля подсоединить 1 контакт лампочки а второй контакт кинуть на минус блока питания
Понизить напряжение постоянного тока с 24 до 20
Собрать стабилизатор на 20 вольт. Или преобразователь 24х220, и родной блок питания.
повысить до 220 и юзать родной зарядник — самый грамотный подход, ибо в родном хорошая стабилизация в пределах 150-240 вольт, то есть вы можете «промахнуться» с напряжением в пределах почти 100 вольт — и ноуту ничего не будет, зараядник выдаст ровно 20вольт! Если же вы будете понижать до 20 вольт сами и промахнетесь хотя бы вольта на два — последствия могут быть плачевные
только импульсный стабилизатор!! ! больше ни какой. я думаю проще купить. 12-18вольт есть, думаю и на твой должен быть. если нет то собери подобный.если что можно запитать и от одного аккумулятора
Ты на зарядке ноута померь напряжений под нагрузкой ноута оно может быть и больше 20 вольт посмотри, какое напряжение на акб ноута. Даже если на акб ноута 20 вольт то на зарядку этого акб требуется 23-24 вольта
Как понизить с 24 до 12 вольт 5 ампер. какой резистор нужен, чтоб понизить напр. с 24 до 12 вольт. укажите, пожалст, все хар. -ки резистора: сопротивлВт,
ПРЕОБРАЗОВАТЕЛЬ НАПРЯЖЕНИЯ С 24 НА 5 ВОЛЬТ
Есть стандартное напряжение 24 или 48 В. Как из такого входного напряжения получить 5 В на 3 А выходного тока? Со специальным DC-DC преобразователем BD9G341AEFJ от ROHM. Эта микросхема идеально подходит для высокого входного напряжения и снижения его до 5-ти вольтового низкого напряжения с током 3 A. Микросхема BD9G341AEFJ — это понижающий импульсный стабилизатор со встроенным MOSFET транзистором имеющим сопротивление канала 150 миллиом. Архитектура обеспечивает быстрый старт и простую настройку компенсации фазы. Рабочая частота программируется от 50 кГц до 750 кГц.
Схема преобразователя 24/5 В



Огромный плюс платы в том, что конфигурация 3-х контактов похожа на ldo-стабилизатор регулятор LM7805, так что инвертор предназначен в качестве замены для микросхемы БП старой серии, который может к тому же обеспечить гораздо больший ток и принять более высокое входное напряжение.
Технические характеристики
- Питание 24-48 В постоянного тока (12-76 В диапазон)
- Выходная мощность 5.1 В / 3 А
- Конфигурация цоколёвки под непосредственную замену LM7805
- Частота преобразования 200 кГц.
При необходимости можно получить различное выходное напряжение путем замены нескольких радиокомпонентов в схеме согласно даташита.



Дополнительно есть функции защиты, такие как защита от перегрузки по току, перегрева и пониженного напряжения блокировки. Блокировка и гистерезис могут быть установлены внешним резистором. Рисунок печатной платы здесь.
какой резистор нужен, чтоб понизить напр. с 24 до 12 вольт. укажите, пожалст, все хар. -ки резистора: сопротивлВт,
6 Ответы
Связанные вопросы
7 месяцев назад от kayane
2 годов назад от polkovnik_s_yuga
8 месяцев назад от Артем Кротов
Как понизить напряжение с 24 вольт до 12 вольт наиболее простым способом.
Назовите, пожалуйста, марку принтера. Лучше бы переделать сам БП. Паяльником помахиваете — разберемся, что нада сделать. Правда, это уже не самый простой метод. Самый простой установите в разрыв плюсового провода стабилизатор КР142ен8в (15 В, 1,5 А) 1 ножку к БП, 2 вывод -к минусовому проводу, 3 выв. — к усилителю. Не забудьте установить МС на радиатор. Судя по питающтм напряжениям — усилитель у Вас с выходной мощностью не более 8 Вт (не китайских, а электрических)
Поставить понижающий трансформатор
Для автоусилителя этот блок питания не подойдет, т. к. он слишком слабый 24Вт, я думаю ваш усилитель помощнее будет
наверное стабилизатор поставить из темы lm317 (можно конечно разобрать и поменять сопрот около оптопары ОС но это зависит от схемотехники и сложнее стаба)
Делитель напряжения на сопротивлениях. Вспомни законы Киргофа или Ома
Один вариант последовательно через неполярный мощный конденсатор в сеть включить, емкость подобрать. Другой вариант- на плате стабилизатора, рядом с стабилитроном должен управляющий резистор стоять, возможно он и переменный. для постоянки первый вариант не подойдёт. Не прочитал сразу.
Через лампочку. Методом подбора.
Если ток переменный — трансформатором (намотайте сами) . Если постоянный — найлучший вариант — стабилизатор (крен8б, 7812 и т. д.) если нужен мааалентький ток — делитель напряжения на 2 резисторах.
самый простой подцепить потребитель на 12 вольт
можно взять лампочку на 12 вольт и включить последовательно цепи. То есть к плюсу подсоединить + усилителя к — усилтеля подсоединить 1 контакт лампочки а второй контакт кинуть на минус блока питания
КР142ЕН8Б -самый лучший вариант. на ногу№1 (если смотреть на «морду»кренки) -подаёшь 24 Вольта, нога№2-это общий минус, нога №3-выход 12 Вольт. и ещё-кренка должна стоять на радиаторе!
проще, конечно, кренкой. Но нужно учесть, крен имеет предел по току 1А если хотите запас, лучше использовать серию AMS или ШИМ примеры регуляторов и схемы включения: [ссылка заблокирована по решению администрации проекта]
отмотать с вторичной обмотки часть витков до 12 вольт, сделать отвод и намотать провод обратно. Я так делал, так как нужна была вся обмотка

Делал так.
Нужно знать, как понизить напряжение в цепи, чтобы не повредить электрические приборы. Всем известно, что к домам подходит два провода — ноль и фаза. Это называется однофазной крайне редко используется в частном секторе и многоквартирных домах. Необходимости в ней просто нет, так как вся бытовая техника питается от сети переменного однофазного тока. Но вот в самой технике требуется делать преобразования — понижать переменное напряжение, преобразовывать его в постоянное, изменять амплитуду и прочие характеристики. Именно эти моменты и нужно рассмотреть.
Снижение напряжения с помощью трансформаторов
Самый простой способ — это использовать трансформатор пониженного напряжения, который совершает преобразования. Первичная обмотка содержит большее число витков, чем вторичная. Если есть необходимость снизить напряжение вдвое или втрое, вторичную обмотку можно и не использовать. Первичная обмотка трансформатора используется в качестве индуктивного делителя (если от нее имеются отводы). В бытовой технике используются трансформаторы, со вторичных обмоток которых снимается напряжение 5, 12 или 24 Вольта.
Это наиболее часто используемые значения в современной бытовой технике. 20-30 лет назад большая часть техники питалась напряжением в 9 Вольт. А ламповые телевизоры и усилители требовали наличия постоянного напряжения 150-250 В и переменного для нитей накала 6,3 (некоторые лампы питались от 12,6 В). Поэтому вторичная обмотка трансформаторов содержала такое же количество витков, как и первичная. В современной технике все чаще используются инверторные блоки питания (как на компьютерных БП), в их конструкцию входит трансформатор повышающего типа, он имеет очень маленькие габариты.
Делитель напряжения на индуктивностях

Индуктивность — это катушка, намотанная медным (как правило) проводом на металлическом или ферромагнитном сердечнике. Трансформатор — это один из видов индуктивности. Если от середины первичной обмотки сделать отвод, то между ним и крайними выводами будет равное напряжение. И оно будет равно половине напряжения питания. Но это в том случае, если сам трансформатор рассчитан на работу именно с таким питающим напряжением.
Но можно использовать несколько катушек (для примера можно взять две), соединить их последовательно и включить в сеть переменного тока. Зная значения индуктивностей, несложно произвести расчет падения на каждой из них:
- U(L1) = U1 * (L1 / (L1 + L2)).
- U(L2) = U1 * (L2 / (L1 + L2)).
В этих формулах L1 и L2 — индуктивности первой и второй катушек, U1 — напряжение питающей сети в Вольтах, U(L1) и U(L2) — падение напряжения на первой и второй индуктивностях соответственно. Схема такого делителя широко применяется в цепях измерительных устройств.
Делитель на конденсаторах

Очень популярная схема, используется для снижения значения питающей сети переменного тока. Применять ее в цепях постоянного тока нельзя, так как конденсатор, по теореме Кирхгофа, в цепи постоянного тока — это разрыв. Другими словами, ток по нему протекать не будет. Но зато при работе в цепи переменного тока конденсатор обладает реактивным сопротивлением, которое и способно погасить напряжение. Схема делителя похожа на ту, которая была описана выше, но вместо индуктивностей используются конденсаторы. Расчет производится по следующим формулам:
- Реактивное сопротивление конденсатора: Х(С) = 1 / (2 * 3,14 *f * C).
- Падение напряжения на С1: U(C1) = (C2 * U) / (C1 + C2).
- Падение напряжения на С2: U(C1) = (C1 * U) / (C1 + C2).
Здесь С1 и С2 — емкости конденсаторов, U — напряжение в питающей сети, f — частота тока.
Делитель на резисторах
Схема во многом похожа на предыдущие, но используются постоянные резисторы. Методика расчета такого делителя немного отличается от приведенных выше. Использоваться схема может как в цепях переменного, так и постоянного тока. Можно сказать, что она универсальная. С ее помощью можно собрать понижающий преобразователь напряжения. Расчет падения на каждом резисторе производится по следующим формулам:
- U(R1) = (R1 * U) / (R1 + R2).
- U(R2) = (R2 * U) / (R1 + R2).
Нужно отметить один нюанс: величина сопротивления нагрузки должна быть на 1-2 порядка меньше, чем у делительных резисторов. В противном случае точность расчета будет очень грубая.
Практическая схема блока питания: трансформатор

Для выбора питающего трансформатора вам потребуется знать несколько основных данных:
- Мощность потребителей, которые нужно подключать.
- Значение напряжения питающей сети.
- Значение необходимого напряжения во вторичной обмотке.
S = 1,2 * √P1.
А мощность Р1 = Р2 / КПД. Коэффициент полезного действия трансформатора никогда не будет более 0,8 (или 80%). Поэтому при расчете берется максимальное значение — 0,8.
Мощность во вторичной обмотке:
Эти данные известны по умолчанию, поэтому произвести расчет не составит труда. Вот как понизить напряжение до 12 вольт, используя трансформатор. Но это не все: бытовая техника питается постоянным током, а на выходе вторичной обмотки — переменный. Потребуется совершить еще несколько преобразований.
Схема блока питания: выпрямитель и фильтр

Далее идет преобразование переменного тока в постоянный. Для этого используются полупроводниковые диоды или сборки. Самый простой тип выпрямителя состоит из одного диода. Называется он однополупериодный. Но максимальное распространение получила мостовая схема, которая позволяет не просто выпрямить переменный ток, но и избавиться максимально от пульсаций. Но такая схема преобразователя все равно неполная, так как от переменной составляющей одними полупроводниковыми диодами не избавиться. А понижающие трансформаторы способны преобразовать переменное напряжение в такое же по частоте, но с меньшим значением.
Электролитические конденсаторы используются в блоках питания в качестве фильтров. По теореме Кирхгофа, такой конденсатор в цепи переменного тока является проводником, а при работе с постоянным — разрывом. Поэтому постоянная составляющая будет протекать беспрепятственно, а переменная замкнется сама на себя, следовательно, не пройдет дальше этого фильтра. Простота и надежность — это именно то, что характеризует такие фильтры. Также могут применяться сопротивления и индуктивности для сглаживания пульсаций. Подобные конструкции используются даже в автомобильных генераторах.
Стабилизация напряжения

Вы узнали, как понизить напряжение до нужного уровня. Теперь его нужно стабилизировать. Для этого используются специальные приборы — стабилитроны, которые изготовлены из полупроводниковых компонентов. Они устанавливаются на выходе блока питания постоянного тока. Принцип работы заключается в том, что полупроводник способен пропустить определенное напряжение, излишек преобразуется в тепло и отдается посредством радиатора в атмосферу. Другими словами, если на выходе БП 15 вольт, а установлен стабилизатор на 12 В, то он пропустит именно столько, сколько нужно. А разница в 3 В пойдет на нагрев элемента (закон сохранения энергии действует).
Заключение
Совершенно другая конструкция — это стабилизатор напряжения понижающий, он делает несколько преобразований. Сначала напряжение сети преобразуется в постоянное с большой частотой (до 50 000 Гц). Оно стабилизируется и подается на импульсный трансформатор. Далее происходит обратное преобразование до рабочего напряжения (сетевого или меньшего по значению). Благодаря использованию электронных ключей (тиристоров) постоянное напряжение преобразуется в переменное с необходимой частотой (в сетях нашей страны — 50 Гц).
Согласно ПУЭ для питания переносного освещения должно применяться напряжение не выше 50 Вольт, а при работе в особо опасных и замкнутых пространствах – 12 Вольт (ПУЭ 6.1.16-18). При этом питание должно осуществляться через трансформаторы. Это нужно для того, чтобы исключить поражение электрическим током. Да и не всегда выходные параметры блоков питания или аккумуляторов позволяют подключить гаджеты или другую электронику. В связи со всем этим мы расскажем о том, как понизить напряжение постоянного и переменного тока до нужного вам значения.
Понижаем переменное напряжение
Рассмотрим типовые ситуации, когда нужно опустить напряжение, чтобы подключить прибор, который работает от переменного тока, но напряжение его питания не соответствует привычным 220 Вольтам. Это может быть, как различная бытовая техника, инструмент, так и упомянутые выше светильники.
Подключение бытовой техники из США на 110 В к сети 220 В
Пожалуй, самая частая ситуация возникает, когда человек покупает из зарубежных интернет-магазинов какой-то прибор, а по его получении определяет, что он рассчитан на питание от 110 Вольт. Первый вариант – это перемотать трансформатор питающий устройство, но большинство приборов работают от импульсного источника питания, а для подключения электроинструмента – лучше вообще обойтись без перемотки. Для этого нужно использовать понижающий трансформатор. Кроме этого вы можете понизить напряжение в сети с помощью автотрансформатора или обычного трансформатора с отводами от первичной обмотки на 110-127В – такие часто встречались в советских телевизорах и других электроприборах.
Однако при использовании такого включения трансформатора, если произойдет, обрыв части обмотки после отвода 110 Вольт (см. рисунок ниже) все 220В подойдут на прибор, и он выйдет из строя.

Если говорить о готовых устройствах, то можно обратить внимание на автотрансформаторы «ШТИЛЬ».

Важно! При покупке трансформаторов или автотрансформаторов учитывайте номинальный ток его обмоток и мощность, которую он выдержит.
Более надежным вариантом решения проблемы будет понизить напряжение с 220 до 110В или с 220 до 127В с помощью трансформатора. На рынке есть множество компаний, которые продают такие изделия, в основном это тороидальные трансформаторы. Они бывают в металлических боксах или корпусах меньших размеров со встроенной розеткой, а также в виде адаптеров в пластиковых корпусах.

Подведём итоги, перечислив основные требования к трансформатору для питания 110В приборов:
- На выходе трансформатора должно быть 110В, а на входе – 220В.
- Мощность трансформатора должна быть больше чем мощность подключаемого прибора хотя бы на 20%.
- Желательно защитить первичную и вторичную цепь с помощью предохранителя.
- Доступ к выводам высокого напряжения должен быть ограничен, а все соединения изолированы.
Понижаем напряжение для питания низковольтных светильников
В начале статьи мы упомянули о том, что переносной светильник должен питаться от пониженного напряжения. В быту этот вопрос будет особо актуален для автолюбителей при ремонте автомобиля в гараже. Такие же светильники используются и в качестве местного источника света на станках (сверлильных, токарных, заточных и прочих).

Для того чтобы понизить напряжение с 220 до 36В, можно использовать трансформаторы марки:
- ОСО 0.25 220/36В;
- ОСМ 0.063кВт 220/36;
- ОСЗР 0.063кВт 220/36В;
- Ящик с понижающим трансформатором ЯТП-0,25 220 36В (это готовое решение в металлическом корпусе для монтажа в помещениях, класс защиты IP54).

Для понижения напряжения с 220 до 12В можно использовать трансформаторы марки:
- ОСО25 220/12В;
- TRS 300W AC 220 B-AC 12B (тороидальный не занимает много места);
- 30ВА, 230/12В, 2,5А INDEL TSZS30/005M (маломощный для установки на DIN рейку).
Понижение напряжения в доме
Наряду со часто возникает проблема с повышенным и пониженным напряжением. Это приводит к преждевременному выходу из строя нагревательных приборов, ламп и других устройств у потребителя. Допустим вам нужно понизить напряжение с 260 до 220В, значит ваш выбор – использование стабилизатора напряжения. Они бывают разных типов, самый дешевый из них – релейный, по сути это автотрансформатор, в котором реле автоматически переключают отводы от обмотки.
Если вам нужно защитить конкретный прибор, например, компьютер – используйте маломощные модели мощностью порядка 1000 ВА (1 кВа), такие, как SVEN VR-L1000, его стоимость 17-20 долларов. Но учтите, что активная выходная мощность у них меньше указанной полной в Вольт-Амперах. К примеру, модель на 1 кВА, может питать нагрузку до 0,3-0,4 кВт. Также смотрите на характеристики. Указанная модель выдерживает до 285 Вольт, но большинство моделей упираются в 260 В.

Чтобы защитить весь дом в большинстве случаев хватит модели RUCELF SRWII-12000-L её полная мощность 12000 ВА, а нагрузочная способность по активной мощности – 10000 Вт. Он выдерживает входное напряжение вплоть до 270В.

Более подробно узнать о том, как выбрать стабилизатор напряжения и какие бывают стабилизаторы, мы рассказывали в статьях:
Балластный конденсатор для питания маломощных устройств
Для питания маломощных устройств можно обойтись без трансформатора – одним конденсатором. Такая схема называется бестрансфторматорный блок питания на балластном конденсаторе. Принцип его работы основан на ограничении тока с помощью реактивного сопротивления ёмкости. Ниже вы видите варианты её реализации.

Расчёт ёмкости балластного конденсатора для бестранформаторного питания производится исходя из потребления тока нагрузкой и напряжения её питания.

Или по такой формуле, результат они дают приблизительно одинаковый:

Кстати, выражение под корнем в результате при расчётах конденсаторов для питания устройств от 5-20В даёт примерно 220, или значение равное Uвходному.
Такой источник питания подходит для подключения приёмников, светодиодов, ночников, зарядки небольших аккумуляторов и других маломощных потребителей.
Понижаем постоянное напряжение
При конструировании электроники часто возникает необходимость понижения напряжения имеющегося блока питания. Мы также рассмотрим несколько типовых ситуаций.
Если вы работаете с микроконтроллерами – могли заметить, что некоторые из них работают от 3 Вольт. Найти соответствующие блоки питания бывает непросто, поэтому можно использовать зарядное устройство для телефона. Тогда вам нужно понизить его выход с 5 до 3 Вольт (3,3В). Это можно сделать, если опустить выходное напряжение блока питания путём замены стабилитрона в цепи обратной связи. Вы можете добиться любого напряжения как повышенного, так и пониженного – установив стабилитрон нужного номинала. Определить его можно методом подбора, на схеме ниже он выделен красным эллипсом.

А на плате он выглядит следующим образом:

На зарядных устройствах более совершенной конструкции используется регулируемый стабилитрон TL431, тогда регулировка возможна заменой резистора или соотношением пары резисторов, в зависимости от схемотехники. На схеме ниже они обозначены красным.

Кроме замены стабилитрона на плате ЗУ, можно опустить напряжение с помощью резистора и стабилитрона – это называется параметрический стабилизатор.

Еще один вариант – установить в разрыв цепи цепочку из диодов. На каждом кремниевом диоде упадёт около 0,6-0,7 Вольт. Так опустить напряжение до нужного уровня можно, набрав нужное количество диодов.
Часто возникает необходимость подключить устройство к бортовой сети автомобиля, оно колеблется от 12 до 14,3-14,7 Вольт. Чтобы понизить напряжение постоянного тока с 12 до 9 Вольт можно использовать линейный стабилизатор типа L7809, а, чтобы опустить с 12 до 5 Вольт – используйте L7805. Или их аналоги ams1117-5.0 или ams1117-9.0 или amsr-7805-nz и подобные на любое нужное напряжение. Схема подключения таких стабилизаторов изображена ниже.

Для питания более мощных потребителей удобно использовать импульсные преобразователи для понижения и регулировки напряжения от источника питания. Примером таких устройств являются платы на LM2596, а в англо-язычных интернет-магазинах их можно найти по запросам «DC-DC step down» или «DC-DC buck converter».
как уменьшить напряжение с 12 до 9 вольт в автомобиле своими

Самый простой и дешёвый способ понизить напряжение с 12 вольт до 9 вольт
Самый простой и дешёвый способ понизить напряжение с 12 вольт до 9 вольт : 9 комментариев
Уважаемый Александр, вышеуказанный метод, с диодами, подходит только для постоянного тока. При использовании диода в цепи переменного тока, напряжение падает на половину. Расчет цепи с включением резистора надеюсь правильный. Благодарю, Анатолий.
Спасибо за замечание, Анатолий. )
Добрый день. Вам лучше обратиться к ближайшему электронщику в вашем городе. Например, в любой компьютерный / телефонный сервис
Небольшое дополнение — не все диоды одинаково полезны для этого дела. Перепробовал 4 разных диода — на всех идёт непрерывное снижение напряжения, а не его фиксация на некотором чуть меньшем значении. Отлично справился Д220, оставшийся ещё с советских времён. Смотрите дадашит, подбирайте аналоги, прежде чем заказывать в Китае по «40 рублей за 100 штук»
Да, забыл добавить. Д220 снижает на 03-0,4 Вольта, мне чтобы снизить с 12 до 9 В потребовалось 8 штук
Спасибо большое за ваши комментарии )
Добрый день.
Накрылась зарядка. Отдали перемотать обмотку. Собрали обратно — при зарядке 12в аккумулятора выдает 18в 40А… на мой взгляд многовато. Пойдут ли Д220 для понижения напряжения с 18в хотя бы до 15в?
Здравствуйте, Николай. Мне кажется, вряд ли. Хотя тут вам лучше сразу обратиться к любому нормальному электронщику. Для меня все эти расчёты — просто для саморазвития.
Как понизить постоянное и переменное напряжение — обзор способов

Эффективные способы понижения постоянного и переменного напряжения. Узнайте, как понизить напряжение с 220 до 110 или 36 Вольт, либо с 12 до 5 Вольт.
Понижаем переменное напряжение
Рассмотрим типовые ситуации, когда нужно опустить напряжение, чтобы подключить прибор, который работает от переменного тока, но напряжение его питания не соответствует привычным 220 Вольтам. Это может быть, как различная бытовая техника, инструмент, так и упомянутые выше светильники.
Понижаем постоянное напряжение
При конструировании электроники часто возникает необходимость понижения напряжения имеющегося блока питания. Мы также рассмотрим несколько типовых ситуаций.
Если вы работаете с микроконтроллерами – могли заметить, что некоторые из них работают от 3 Вольт. Найти соответствующие блоки питания бывает непросто, поэтому можно использовать зарядное устройство для телефона. Тогда вам нужно понизить его выход с 5 до 3 Вольт (3,3В). Это можно сделать, если опустить выходное напряжение блока питания путём замены стабилитрона в цепи обратной связи. Вы можете добиться любого напряжения как повышенного, так и пониженного – установив стабилитрон нужного номинала. Определить его можно методом подбора, на схеме ниже он выделен красным эллипсом.

А на плате он выглядит следующим образом:

На следующем видео автор демонстрирует такую переделку, только не на понижение, а на повышение выходных параметров.
На зарядных устройствах более совершенной конструкции используется регулируемый стабилитрон TL431, тогда регулировка возможна заменой резистора или соотношением пары резисторов, в зависимости от схемотехники. На схеме ниже они обозначены красным.

Кроме замены стабилитрона на плате ЗУ, можно опустить напряжение с помощью резистора и стабилитрона – это называется параметрический стабилизатор.

Еще один вариант – установить в разрыв цепи цепочку из диодов. На каждом кремниевом диоде упадёт около 0,6-0,7 Вольт. Так опустить напряжение до нужного уровня можно, набрав нужное количество диодов.
Часто возникает необходимость подключить устройство к бортовой сети автомобиля, оно колеблется от 12 до 14,3-14,7 Вольт. Чтобы понизить напряжение постоянного тока с 12 до 9 Вольт можно использовать линейный стабилизатор типа L7809, а, чтобы опустить с 12 до 5 Вольт – используйте L7805. Или их аналоги ams1117-5.0 или ams1117-9.0 или amsr-7805-nz и подобные на любое нужное напряжение. Схема подключения таких стабилизаторов изображена ниже.

Для питания более мощных потребителей удобно использовать импульсные преобразователи для понижения и регулировки напряжения от источника питания. Примером таких устройств являются платы на LM2596, а в англо-язычных интернет-магазинах их можно найти по запросам «DC-DC step down» или «DC-DC buck converter».

Напоследок рекомендуем просмотреть видео, на которых наглядно рассмотрены способы понижения напряжения:
Вот и все наиболее рациональные варианты, позволяющие понизить напряжение постоянного и переменного тока. Надеемся, предоставленная информация была для вас полезной и интересной!
Наверняка вы не знаете:
cnc-club.ru
Статьи, обзоры, цены на станки и комплектующие.
Как снизить напряжение с 12 до 10 VDC
Как снизить напряжение с 12 до 10 VDC
Сообщение SamZlod » 15 янв 2014, 11:18
Добрый день, коллеги!
У меня возникла проблема с которой я не могу справится:
Есть управляемый диммер для освещения, управляющий сигнал 0..10V, сигнал пассивный. Есть контроллер, который выдает управляющий сигнал 1..10V и тоже пассивный. Соответственно, так как и вход и выход пассивные, диммер не управляется. Подключил параллельно ко входу диммера крону на 9 вольт, заработало! Но батарейка через какое то время сядет, а каждый раз менять ее нет возможности. Есть блок питания на 12 В, подскажите как понизить на нем напряжение до 10 В чтоб работал управляющий сигнал.
Re: Как снизить напряжение с 12 до 10 VDC
Сообщение aftaev » 15 янв 2014, 11:40
Re: Как снизить напряжение с 12 до 10 VDC
Сообщение Сергей Саныч » 15 янв 2014, 11:46
Re: Как снизить напряжение с 12 до 10 VDC
Сообщение Serg » 15 янв 2014, 13:11
Re: Как снизить напряжение с 12 до 10 VDC
Сообщение SamZlod » 15 янв 2014, 13:39

Схема подключения:
Re: Как снизить напряжение с 12 до 10 VDC
Сообщение SamZlod » 15 янв 2014, 13:46
как на свинцовом аккумуляторе 12в понизить напряжение до 8в?
Опции темы
как на свинцовом аккумуляторе 12в понизить напряжение до 8в?
нужно с автомобильного аккумулятора 12в получить 8в чтобы вместо 12вольт всегда на выходе было 7-8вольт
Ну если бош или варта какая нибудь, то жалко наверно сверлить.
нужно для модели. просто вместо 12вольт мне нужно максимум 9..аккумулятор обычный автомобильный. что сделать чтобы вместо 12вольт получить с него 8вольт но сверлить и ломать его не нужно..мне же его потом заряжать нужно автомобильным зарядником. может через что то можно уменьшить вольтаж. со знанием электроники туго.
Вы так и не озвучили потребный вам ток, а без этого решений бесконечное множество. Самое простое диодов последовательно штук 5-6
Диодов? Как диоды понизят напряжение? С резисторами не перепутали?
Слушайте, а мне уже интересно, что за модель такая, что способна таскать автомобильный пак и притом кушать строго 8 вольт?
нужно для модели. просто вместо 12вольт мне нужно максимум 9..аккумулятор обычный автомобильный. что сделать чтобы вместо 12вольт получить с него 8вольт но сверлить и ломать его не нужно..мне же его потом заряжать нужно автомобильным зарядником. может через что то можно уменьшить вольтаж. со знанием электроники туго.
Иногда продаются свинцовые аккумуляторы в виде ОДНОЙ банки на 2 вольта.
Надо только поискать. Ну и дело еще может быть в цене.
Navernov tanke ispolzuete hodovie dvigatelia 7,2 volta, eto est
15A*2=30A ponizajuscii reguliator budet bolsoi, tiaziolii, Dorogoi.
Vmesto nih prekrastno podhodiat motorciki s elektro drelei 14 voltovie.
Eto budet desevle cem delat reguliator na 30
Объясните, ЧТО ПИТАТЬ БУДЕТЕ 8-ми вольтами?
парни тема необновлялась давно. но у меня схожая проблема, я на лодку для завоза приманки хочу поставить двигалель от траксаса слеш «титан 12т» (он работает 7.2в.), и аккомулятор 12в типа как для эхолота свинцово гелевый.
как мне понизить вольтаж аккомулятора чтоб движок несгорел?
пипец на лодку такие движки ставить, гонку строите?, купите от шуруповерта за 120 рэ, и будет вам счастье( в любом сервисном центре)
можно купить от шуруповерта и даже готовую лодку, но это же надо купить. а траксовский движок с регулятором лежит в чюлане. Парни хотелось услышать совет по делу.
Ограничте газ. Это же лодка для завоза, а не гонка. И, кстати, готов ли ваш аккум отдавать токи, потребные мотору?
Понизить то до 7,2 можно, весь вопрос какой ток жрёт ваш мотор? Я думаю ампер 5 или больше. Для таких токах, понизить напряжение простыми способами, типа КРЕН, не получиться, нужно делать преобразователь на дорогостоящей микросхеме, и схема сложная будет. НУжно как минимум быть электронщиком, что бы её изготовить. Потому в вашем случае и советуют мотор на 12В поискать. Потому как это проще будет и дешевле раз в 10.
Там я не знаю, лодка то радиоуправляемая, если да то:
а как ограничеть газ? контролировать нажатие на курок, примотать изолентой и бить по рукам детей которые захотят просто поиграться
А у вас что за аппаратура? Если какая ни будь простая, не компьютерная, то газ ограничить не удастся. Такая функция есть только у аппаратур с экраном, за деньги хотя бы 7000руб и выше.
Ну раз не можете мотор найти на 12В, то аккумуляторы поставьте NI-MH, банок 6, как раз будет нужное вам напряжение. Понимаете, ну не возможно при больших токах, так вот просто взять и понизить напряжение с 12В до 7,5В.
С экраном, значит компьютерная, значит там есть 100 пудов ограничение на канал газа, другими словами, настройка расходов каналов, в частности расход канала газа то же можно настроить. Если у вас есть инструкция, на эту аппаратуру, то почитайте, внимательно. Если вообще не шарите и инструкции нет, то инструкцию можно скачать в инете, и если не шарите что такое расходы, то тот же инет поможет.
Короче в вашем случае, самое дешёлое, т.е. вообще безплатно получиться, это изучить возможности вашей аппаратуры и установить ограничение на канал газа.
Другого простого способа я не вижу.
Ваш регулятор должен работать от 12В, т.к. это напряжение не такое уж и высокое.
Вам нужно только найти моторо на 12В. Вот есть такие моторы, их применяют исключительно судомоделисты, их название ДПР, или ДПМ. Эти моторы изготвливались в советсике времена на военных заводах, и применялись в военной технике. Так вот у этих моторовочень маленький ток потребления, например средний мотор на 12В, в корабле потребляет не больше чем 1-1,5А, если использовать аккумулятор на 7Ач, то вам его хватит примерно на 4,5. Как посчитал, разделили ёмкость 7Ач на потребляемый ток мотора 1,5А. Но это при условии что аккум заряжен и не убитый, т.е. его реальная ёмксть, соответсвует той что написанна на аккумуляторе, т.е. 7Ач.
Сейчас такие моторы не продают, только если у судомоделистов спрашивать, их у вас в Москве, пресс.
Попробуйте поищите, поспрашивайте, найти их сейчас ещё можно.
Итог: канал газа ограничить, или несколько аккумов купить, и соединить их в паралллель, или мотор ДПМ поискть.
как снизить напряжение с 12 до 3 вольт?

нужно снизить для диодов, желательно чтобы все занимало как можно меньше места


lm317 понижает напряжение до 3в, но работает не корректно то есть начинает прыгать от 3 до 5в убедился на собственном опыте. И если вы думаете что это был брак то вы ошибаетесь я брал аналог лмки и повторял проверенную схему все равно через какое то время начинаются глюки!
Однозначно LM317T, но есть один вопрос—какая нагрузка?

от 4 до 8 диодов, где то 1-2Вт
Если нагрузка не превышает 100мА, то целесообразно использовать стабилизатор LM317L

А схемку можно посмотреть?

как только определюсь с ее окончательным видом

в итоге буду использовать 1117, только эта зараза греется, надо понижающий резистор, который я пока подобрать не могу

а резистор на входе нельзя чтоли поставить где то на 1,5 кОм это получается с 14В падает на 1,2В, лично я не использую никакие стабилизаторы всё на резисторах за три года что занимаюсь светотюнингом никто ниразу не приезжал с вопросом что не светитят светодиоды

нужно снизить с 14в до
5в потребление диодов где то 6вт

а резистор на входе нельзя чтоли поставить где то на 1,5 кОм это получается с 14В падает на 1,2В, лично я не использую никакие стабилизаторы всё на резисторах за три года что занимаюсь светотюнингом никто ниразу не приезжал с вопросом что не светитят светодиоды
У меня светодиодная лента 3 диода по ходу копыта отбросили как сохранить жизнь другим диодам чтоб не сгорали дальше есть варианты?

а резистор на входе нельзя чтоли поставить где то на 1,5 кОм это получается с 14В падает на 1,2В, лично я не использую никакие стабилизаторы всё на резисторах за три года что занимаюсь светотюнингом никто ниразу не приезжал с вопросом что не светитят светодиоды

на плюсовую ногу светодиода припаиваеш резистор вот и вся технология минус общий
перегрев светодиодов происходит при 370гр
номиналы smd:
мощность 0,17вт; резики переменные
светодиод белый резистор 1,1 кОм
светодиод синий резистор 1,2 кОм
светодиод красный резистор 1,7 кОм
номиналы для 3-5мм:
мощность 0,125вт; резики переменные
светодиод белый резистор 1,1 кОм
светодиод синий резистор 1 кОм
светодиод красный резистор 1,5 кОм

если брать ленту разделенную по 3 диода, на ней уже есть резисторы, допаивать надо ещё что то

нет они запаралеленые, в случае перогорании одного остальные работать не будут

а резистор на входе нельзя чтоли поставить где то на 1,5 кОм это получается с 14В падает на 1,2В, лично я не использую никакие стабилизаторы всё на резисторах за три года что занимаюсь светотюнингом никто ниразу не приезжал с вопросом что не светитят светодиоды
с резистором на 1КОм скока будет напруга на 5мм Диоде?

Если ток большой плюс большое падение напряжение то как вариант собирать схему на ШИМ.
Если собирать не хочится схему, купи авто-зарядку для сотика … там уже всё спаянно.

диоды на 3,3в едят 0,17А
проблема что места очень мало, надо все уместить в эмблемке

есть стабилизатор на 3 или 3,3 вольта, название точно не помню, он в корпусе ТО220 существует точно, как с другими корпусами-не знаю=( называется точно не LM117. но греется так же как и все Lm-ки…

именно)) ею можно клемма выжигать, к сожалению это мне не подходит
нужно что то маленькое и понижающее с 14 до 3

а слабо светодиоды по 3 включить?

получится 9в, а если по 4 то 12в, горят не очень, у меня этих диодов 7… поэтому не вариант вроде


нелегче вывести блок питания наружу? Нереально сделать очень маленький линейный стабилизатор при маленьких размерах, с таким перепадом напряжения — тепла много рассеивается. Действительно маленький стабилизатор можно собрать на NCP3170 — у него кпд выше 90 процентов, а лучше стабилизатор тока из него сделать.

вы правы) не получилось сделать маленьким размером… все это чудо грелось.
поэтому было сделано ограничение на резисторах и микросхема 1117 для выхода в 3,3В

Кр 142 ен 12а собранная по схеме стабилизатора тока. Что за светодиоды? Главное ток не превышать, а то помрут.

белые смд тест показал что выдерживают 400мА и 4 В

Выдерживают- да! Но сколько по времени?! Если светодиод 1W то лучше не превышать 250 ma. 3 w это 700 ma/ то есть должен быть запас полюбому. Мне однажды продали одноваттные вместо трёх ваттных. Хотя там был один на три ватта, Все слабенькие погорели за 1 день. Остался только 1 на 3w. ток был 500 ma.

Вот это самое западло: когда тебе впаривают более слабые по мощности, выдавая их за более мощные.

Да! Жалко их было. В габариты могли бы подойти.

Определись Сколько будет светодиодов, и какой у них ток питания. Тогда смогу подсказать.

Вот вам ссылка, там вы расчитаете сколько ом и ватт должен быть резистор

Ребят законы Ома ещё не умерли, всё просто в пару действий, если вы способны сложить 2+2, то проблем не должно возникнуть. Если не ошибаюсь, то это учебник за 9 класс…
Не ленитесь, повторение — Мать ученье!

это правильно а то стабилизаторы светодиоды боятся выхода за рабочее напряжение поэтому ставиться обычный гасящий резистор с небольшим запасом в машине с исправной электрикой сильных скачков нет и напряжение борт сети держится в пределах12-13в, а тока более чем нужно светодиод не возьмет и что то я не верю в сказки с потреблением тока в 0,5 А

вообще, светодиоды расчитывают по току а не по напряжению, поэтому нужен стабилизатор тока а не напряжения, это первая ошибка большинства людей кто включает светодиоды. Сам через это прошел. Читайте для начала denaon.narod.ru/UseLed/UseLed.html.
Если нужно включить 7 светодиодов используйте специальный драйвер для светодиодов. Это такая мс которая может даже повысить напряжение, чтоб включить все 7 светодиодов последовательно. Поищите в журналах радио последних лет. Там было много описаний включения светодиодов с такими мс.

Ответ правильный! Можно запитать светодиод(ы) от любого напряжения. Главное, чтобы ток не превышал паспортные данные светодиода. Можно использовать для ограничения тока обычный резистор нужной мощности и определенного сопротивления (бюджетный вариант). А лучше использовать стабилизатор тока.

я поставил резисторы по 510 Ом все ровно 3 месяца полет норм)))
схема-то предвидится какая? что за диоды? какой ток потребления, падение напряжения на нем?
в идеале, конечно, поставить стабилизатор тока
если это диоды СМД 3528 однокристальные, самое дешевое — взять СМД же резисторы от 500 Ом и выше и припаять прямо на одну из ног либо собрать 2 ветки по 3 последовательно плюс резистор 150-200 Ом и плюс один отдельно плюс резюк от 500 Ом
потом всё эти запараллелить
если трёхкристалки 5050-е — тут по-идее нужно ставить в ветку каждого кристалла, хотя есть у меня ленточка кетайская, там один поставлен резистор беспалева, но работает нормально, а нормальные ленты делаются с 3 резюками

А вот почему преобразователь DC/DC с выходом на 5В не использовать?

Ребят, нужно запитать сегментные часики от АКБ, соответственно нужно минимальная мощность, хладность и малое потребления. Часики 3 вольта. Чем АКБ стабилизировать?
Похожие публикации:
- Как подобрать питание для автозвука
- Как проверить ампераж мультиметром
- Как настроить спутниковую тарелку на передачу lnb
- Что такое ультразвуковой датчик